Aller au contenu
Géoforum est un forum de géologie, minéralogie, paléontologie, volcanologie et, plus généralement, un site dédié aux Sciences de la Terre et au patrimoine géologique. Les discussions s'organisent dans des espaces spécifiques, il existe un forum géologie, un forum minéraux, un forum fossiles, un forum volcans, etc. Une galerie de photos de minéraux ou de roches, de photos de fossiles, ou encore de sites géologiques ou de volcans permet de partager des albums. Il est possible de publier des offres d'emploi de géologue, ou des demandes d'emploi ou stage de géologues. Venez poser vos questions, partager vos connaissances, vivre votre passion !

Quelques-uns des principaux sujets de Géoforum

Vente et achat de minéraux français et cristaux du monde sur Internet.
▲  Vente et achat de minéraux français et cristaux du monde sur Internet  ▲

Pseudomorphose : photos de minéraux pseudomorphosés...


Messages recommandés

  • 1 mois après...
Posté(e)

Un monstre :)

 

Périmorphose de sidérite après fluorine (« Box »), remplie de cristaux de chalcopyrite et quartz, Virtuous Lady mine, Tavistock, Devon, Angleterre.

5829784E-68D6-4C9B-BC4A-8CE65DFD9D91.jpeg

 

Périmorphose de sidérite après fluorine (« Box »), avec cristaux de chalcopyrite et quartz, Virtuous Lady mine, Tavistock, Devon, Angleterre.

B485550F-6194-48BE-AED3-6A52D2FD455F.jpeg

  • 2 mois après...
  • 1 year later...
Posté(e)

Bonjour Chantal, c'était début août 2003, en pleine canicule, ça aide à fixer la mémoire...mais le déblai d'où elle vient existe toujours.

Et c'est bien vrai qu'en quartz c'est beaucoup plus résistant et costaud que la version originale :yes3:. Pour le nettoyage ça aide !

 

 

Posté(e)

Bonjour Christophe, avant de déterrer cette grande pièce je connaissais l'existence de ces pseudomorphoses pour en avoir déjà trouvé des petits fragments, y compris associées à de la "vraie" barytine (une amusante curiosité). On les distingue sur le terrain sans problème. En plus de la dureté, il y a la densité et la différence de couleur: la barytine au Buisson est ivoire ou jaune, parfois rosée, jamais de ce gris-là. En cristaux, elle montre généralement un éclat vif, ce qui n'est malheureusement pas le cas de ces pseudomorphoses :pleurer: 

  • 1 mois après...
  • 6 mois après...
Posté(e)

Shattuckite et un peu de malachite, pseudomorphose après un cristal de quartz, Okandawasi mine, Kaokoveld, Namibie.
87C971C3-4706-4055-B4D6-83E97A16FC0F.jpeg

 

Autre photo du même minéral.

 

Shattuckite et un peu de malachite, pseudomorphose après un cristal de quartz, Okandawasi mine, Kaokoveld, Namibie.

0F3D2783-F66A-46E3-AAD8-503738CDF4B3.jpeg

  • 6 mois après...
  • 3 mois après...
  • 1 year later...
Posté(e)

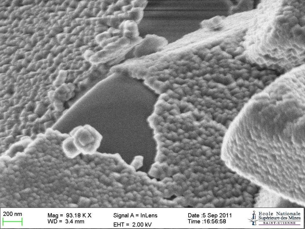
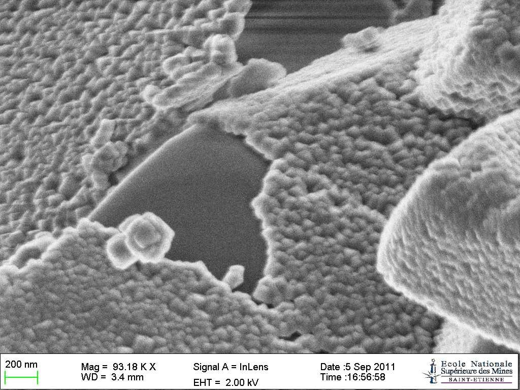
Une périmorphose artificielle : des grains de calcite recouverts de fluorite par réaction avec KF en solution.

Même à 25°C, la surface des grains se couvre de minuscules cubes de fluorite en quelques minutes.

La pseudomorphose complète prend une journée ou deux.

 

342315703_CC-1-8.thumb.jpg.42afe34f41189e6b46894d549517705d.jpg

803943289_CC-1-2.thumb.jpg.d5612875336547cb02fcc1026c09fcf5.jpg

1695932119_CC-1-3.thumb.jpg.89f5f131f2cd2aba4441901f68a551e1.jpg

 

1212034304_CC-1-12.thumb.jpg.3a5bb2433be2a4fbdb39171439a3fc81.jpg

118242991_CC-1-11.thumb.jpg.d9c5b98cf8e44fcdc7a1bb19f82a5464.jpg

 

 

 

1131141809_CC-1-5.thumb.jpg.df259b0a1101987105f4009b5061ada3.jpg

CC - 1- 10.tif

  • 2 mois après...
Posté(e)

Bonjour,

plus deux exemples peu courants !

Une pseudomorphose de Chiastolite (Andalousite) en Disthène confirmée par le test de dureté (de Boal en Espagne).

Un pseudomorphose de petits (quelques mm) cristaux de Béryl en Phénacite. La baguette hexagonale montre des microcristaux orientés en biais par rapport à l'axe. Seulement quelques exemplaires ont été trouvés au contact entre une zone à Béryl et une zone à Phénacite.

 

BP.JPG

BP0.JPG

BP1.JPG

BP2.JPG

BP3.JPG

  • 4 mois après...
Posté(e)

Bonjour.

Pour participer.

 

Pseudomorphose : silice après halite (cubes bleus) à l'intérieur d'un tube de serpule dans un échantillon entièrement silicifié de l'Aptien de Provence.

2146864116_PICT0480copie.thumb.JPG.af4106901fffa773692180e012e71f87.JPG  

Rejoindre le sujet et participer

Pour poster un message, il faut créer un compte membre. Si vous avez un compte membre, connectez-vous maintenant pour publier dans ce sujet.

Invité
Répondre à ce sujet…

×   Collé en tant que texte enrichi.   Restaurer la mise en forme

  Seulement 75 émoticônes maximum sont autorisées.

×   Votre lien a été automatiquement intégré.   Afficher plutôt comme un lien

×   Votre contenu précédent a été rétabli.   Vider l’éditeur

×   Vous ne pouvez pas directement coller des images. Envoyez-les depuis votre ordinateur ou insérez-les depuis une URL.

×
×
  • Créer...