Aller au contenu
Géoforum est un forum de géologie, minéralogie, paléontologie, volcanologie et, plus généralement, un site dédié aux Sciences de la Terre et au patrimoine géologique. Les discussions s'organisent dans des espaces spécifiques, il existe un forum géologie, un forum minéraux, un forum fossiles, un forum volcans, etc. Une galerie de photos de minéraux ou de roches, de photos de fossiles, ou encore de sites géologiques ou de volcans permet de partager des albums. Il est possible de publier des offres d'emploi de géologue, ou des demandes d'emploi ou stage de géologues. Venez poser vos questions, partager vos connaissances, vivre votre passion !

Quelques-uns des principaux sujets de Géoforum

Vente et achat de minéraux français et cristaux du monde sur Internet.
▲  Vente et achat de minéraux français et cristaux du monde sur Internet  ▲

Roche apparence volcanique


Messages recommandés

Invité Carped201
Posté(e)

bonjour.

Merci pour tous ces renseignements, mais je dois préciser que ces roches trouvées, non pas été vue et détachées avec un marteau et un pic d'une roche existante ou d'un affleurement du lieu indiqué.

Ces roches trouvée au sol en partie car quelques unes étaient emmurées, sortent vraiment du lot car elles ne ressemblent en rien au roches existantes, d'ailleurs ces roches ont été trouvées sur un périmètre max de 300 mètres et au delà rien. ( cela fait maintenant 4 mois que je prospecte minutieusement )

Des murs de schiste dans la région il y en par milliers, les pierres qui les composent il y en a des milliards.

Je suis en présence d'une roche qui n'a aucune appartenance géologique à la région HAUTE-CORSE et à croire, que quelqu'un, ai transporté d'ailleurs ces roches, impossible.

A mon avis je devrais basculer vers la rubrique IDENTIFICATION DE ROCHE quand pensez vous ?

 

Invité jean francois06
Posté(e)

Bonjour,

Effectivement une roche assez énigmatique.

Et si elle avait subit un chauffage, un début de vitrification, ce qui expliquerait les vésicules. Une roche détritique vitrifiée.

Invité Carped201
Posté(e)
il y a 4 minutes, jean francois06 a dit :

Je pensais plus à de l'anthropique.

Un truc de ce genre.

La région est composée de chêne vert et chêne liège bois à fort pourcentage de carbone.

Un insert maison température max 350 à 400 °, four pour la métallurgie sous occupation Génoise ou plus ancien Romaine température max 300 à 350°.

Existence de quartz dans une matrice basaltique plus 500° voir même 900° et plus.   

l'homme ni est pour rien, je pense que la nature a fait son travail.

Posté(e)

Bon alors quartz et basalte impossible, mais on relève une texture basaltique pas un basalte.

 

Ça fait bien bréchique ton truc, impactite ce serait une découverte majeure, pas d'impact répertorié en Corse et des impactites sur 300 m c'est vraiment plus difficile à envisager.

Il y a bien un truc naturel qui pourrait faire ça, c'est des pseudotachylites, fusion associé à de la tectonique cassante, mais pas très courant. En fonction des minéraux, l'aspect pourrait faire penser à un truc d'origine humaine (on monte à bien plus de 350°C avec des fours antiques (on fond du granite qui fond à 600 °C)

 

Serge

Invité jean francois06
Posté(e)

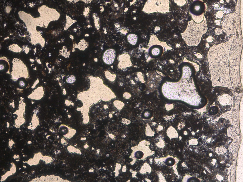
Je reprends la description du labo de la roche

 

"Roche microlithique de couleur noire, vésiculaire, contenant des cristaux de de taille millimétrique à centimétrique (phénocristaux) de couleur blanche vitreuse
Altération : légère patine brune à la surface de l’échantillon 

Texture : vésiculaire microlithique
Porosité : importante (20 à 30%)"

"Composition minéralogique (proportions par estimation visuelle) : - Quartz : 40-50% de taille variable (de quelques microns à centimétrique) et présentant une altération forte. Minéraux souvent polycristallins. Certains présentent une extinction roulante. - Matrice microlithique : 30-40% - Ferro-Magnésiens : 5-10% - Débris lithiques : <5% - Minéraux non identifiés : minéraux fibreux et autres <10%"

"L’échantillon présente une texture typique d’un basalte, associé à une composition minéralogique relativement inhabituelle. ne permettant pas sa classification avec certitude. Par conséquent, le diagramme QAPF généralement utilisé pour classer les roches magmatiques n’a pas été présenté dans cette étude."

En effet, pas du tout la composition d'un basalte. Je me demande même pourquoi on cite cette roche.

La texture est d’après le laboratoire microlithique.

La couleur  est noire.

Il y a 40 à 50% de quartz, présentant une altération forte. C'est quoi le sens de cette phrase? 

Le reste c'est la matrice microlithique, et les ferromagnésiens.

Pas de feldspath!

Et les phénocristaux sont ils vraiment des phénocristaux? Et pas des clastes.

Donc pour moi de pas basalte. Et pas roche volcanique.

Pas quartzite non plus, il y a trop peu de quartz. En plus avec seulement 5% d'éléments lithiques et pas de feldspath, difficile à classer dans les roches détritiques. la solution est dans les microlithes.

Et il y a des vésicules.

C'est pourquoi je pense que cette roche provenant d'un mur, d'une construction a du subir un chauffage.

 

Invité Carped201
Posté(e)
il y a 13 minutes, trenen23 a dit :

Bon alors quartz et basalte impossible, mais on relève une texture basaltique pas un basalte.

 

Ça fait bien bréchique ton truc, impactite ce serait une découverte majeure, pas d'impact répertorié en Corse et des impactites sur 300 m c'est vraiment plus difficile à envisager.

Il y a bien un truc naturel qui pourrait faire ça, c'est des pseudotachylites, fusion associé à de la tectonique cassante, mais pas très courant. En fonction des minéraux, l'aspect pourrait faire penser à un truc d'origine humaine (on monte à bien plus de 350°C avec des fours antiques (on fond du granite qui fond à 600 °C)

 

Serge

...Oui désolé four métallurgie 1300 à 1500°.

Invité Carped201
Posté(e)
il y a 52 minutes, trenen23 a dit :

Bon alors quartz et basalte impossible, mais on relève une texture basaltique pas un basalte.

 

Ça fait bien bréchique ton truc, impactite ce serait une découverte majeure, pas d'impact répertorié en Corse et des impactites sur 300 m c'est vraiment plus difficile à envisager.

Il y a bien un truc naturel qui pourrait faire ça, c'est des pseudotachylites, fusion associé à de la tectonique cassante, mais pas très courant. En fonction des minéraux, l'aspect pourrait faire penser à un truc d'origine humaine (on monte à bien plus de 350°C avec des fours antiques (on fond du granite qui fond à 600 °C)

 

Serge

...Oui désolé four métallurgie 1300 à 1500°.

Invité Carped201
Posté(e)

Bonsoir mr42, merci pour les infos et désolé j'ai fait un doublon.

 

Je reviens sur ce qui a été dit,

....donc, si je comprends bien il ne s'agit pas d'une roche magmatique, pas de basalte...donc pas de volcanisme.

Mais on utilise le terme microlithe pour décrire une roche qui a subit une transformation au contact d'une source de chaleur.

A quelle température et à quelle pression a eu lieu la transformation de la dites roche ?

Merci pour vos réponse.

 

 

 

Posté(e)

Bonjour.

Le hic est qu'on cherche à interpréter l'interprétateur. 

"texture typique d'un basalte" n'a pas beaucoup de sens et parler de microlithes sans utiliser le mot feldspath me semble curieux. 

Le fait d'utiliser le mot matrice me laisse à penser qu'elle n'a pas été suffisamment analysée (les mots verre et mésostase ne sont pas utilisés  non plus).

Pour critiquer et valider, il faudrait visualiser la (les?) lames sous plusieurs grossissements.

Juste à voir l'allure des grains de quartz d'un agrégat , j'ai tendance à imaginer du détritique métamorphisé au début de l'histoire.

Y a t'il eu intervention anthropique? P'tête ben qu'oui, p'tête ben qu'non.

Posté(e)

J'ai pensé également à une "paralava", nom que l'on donne aux produits de combustion spontanée des terrils de charbon, elles sont souvent utilisées en génie civil à cause de leurs bonnes propriétés mécaniques, mais il n'y a pas de terril en Corse, non ?

Je me permets de reposer la question : est-ce que la lame mince serait accessible ?

Invité jean francois06
Posté(e)
Il y a 12 heures, Carped201 a dit :

 

Je reviens sur ce qui a été dit,

....donc, si je comprends bien il ne s'agit pas d'une roche magmatique, pas de basalte...donc pas de volcanisme.

Mais on utilise le terme microlithe pour décrire une roche qui a subit une transformation au contact d'une source de chaleur.

On utilise le terme microlithe en général pour les roches magmatiques, basalte ou autres (andésite, trachyte, dacite, etc..)

des exemples http://jacques.delfour.pagesperso-orange.fr/savigny.htm

On remarquera que les microlites sont décrits. 

Ici, est-il sous entendu que ces microlites sont des feldspaths? 

voir la remarque de jjnom :

il y a une heure, jjnom a dit :

Bonjour.

Le hic est qu'on cherche à interpréter l'interprétateur. 

"texture typique d'un basalte" n'a pas beaucoup de sens et parler de microlithes sans utiliser le mot feldspath me semble curieux. 

Le fait d'utiliser le mot matrice me laisse à penser qu'elle n'a pas été suffisamment analysée (les mots verre et mésostase ne sont pas utilisés  non plus).

 

J'ai utilisé ce terme, qui n'est pas approprié ici, parce qu’utilisé pour décrire le lame mince par le labo.

Dans le cas d'une roche métamorphique on aurait pu utiliser :texture grano-lépidoblastique mais ici, on ne voit pas de foliation. La foliation s'il y en a une,  peut être peu développée et il faut tailler la lame dans le bon plan pour bien la voir.

Bref, il y a eu au départ un à priori je crois. Et à nouveau comme le dit Jjnom : " parler de microlithes sans utiliser le mot feldspath me semble curieux"

Moi aussi je trouve ça très curieux.

 

 

 

 

 

il y a une heure, phoscorite a dit :

 

Je me permets de reposer la question : est-ce que la lame mince serait accessible ?

 

Invité jean francois06
Posté(e)

J'ajoute une remarque : Je ne jette pas la pierre sur celui qui a fait l'analyse, car il s'agit visiblement de quelque chose que je qualifierai "d’exotique".  

Exotique dans le sens où il n'est pas commun de tailler des lames minces dans des roches ayant subit une intervention humaine, à moins d’être spécialisé dans les céramiques et autres, dans l'archéologie, etc... De plus, combien de temps a été consacré à cet échantillon?  Combien de lames minces attendaient une diagnose?

Bref, je pense qu'il faudrait anonymisé le labo, et le nom du pétrographe qui a fait l'analyse. Il faudrait supprimé les photos et les post qui mentionne le nom du labo et du géologue. Les photos seules, sans le nom du labo suffisent. 

La critique est toujours facile. 

La preuve, les bêtises que j'ai pu dire:

"Je pense à une diorite. Sans doute du métamorphique surimposé. Mais on y voit pas de foliation..."

"Et il est fort possible que je sois loin du compte. Je ne vois pas des formes caractéristiques des feldspaths et sur les photos c'est difficile de voir les parties sombres.

En affinant, sous toute réserve, je proposerais métadolérite porphyrique! et pourquoi pas des méta-troctolite?"

Franchement, on est loin du compte, avec 50% de quartz. 

Dans tout ce que j'avais dit il n'y a peut être que "méta" qui est juste.

Alors imaginons une demande, sans lame mince, sans analyse, combien de fois j'ai pu raconter des c....ries.

@zunyite le dit souvent, sur photo, c'est quasi impossible, même dans des cas qui paraissent simples.

Errare humanum est ( ça veut pas dire rendez vous à la gare de l'est)

Y a une suite,

perseverare diabolicum

 

Posté(e)

Je poste des textures typiques des "paralavas" pour que vous vous fassiez une idée.

Celle-ci provient d'un terril de la Ricamarie (42), qui était en combustion il y a une dizaine d'années, et ou on a pu constater de la fusion partielle.

La structure est très vésiculaire, et évidemment, pleine de xénocristaux et de fragments lithiques de tailles et de types très variés, variés comme l'encaissant des veines de charbon (shales, grès et conglos, voire tuffs acides) sans oublier des déchets (briques, bouts de métal et j'en passe)DR2A_8n.thumb.jpg.a653688c918ef678e0c9f007a8878077.jpgDR2A_8c.thumb.jpg.954b0c18b18a7e090756fef815593979.jpg

 

Les lames sont très difficiles à fabriquer. Certaines bulles ne sont pas d'origine.

A part les xénocristaux, on ne voit presque rien en lumière polarisée, on voit mieux en LN ou en cathodoluminescence (ci-dessus).

Le fond, bleu sombre en cathodo, est un verre riche en Si et K bourré d'inclusions de microminéraux (rouge vif : hercynite ; vert : anorthite ; + mullite, parfois, avec de la cordiérite qu'on ne voit qu'au MEB)

 

Je montre un détail ci-dessous pour montrer que les plagioclases (anorthite) sont effectivement en bâtonnets, ce qui donne par endroits une bonne ressemblance avec la texture microlithique des basaltes, mais on est très loin du basalte demi-deuil des vielles collections de pétro.

Pas la moindre olivine en vue, pas de clinopyroxène, ces roches-la ne sont pas basiques...

DR2A_8xn.thumb.jpg.9cdb4e1adb2ed0fbdec5220d66fc0e0e.jpgDR2A_8xc.thumb.jpg.188c8909680851a253b028991dbb8cac.jpg

 

 

Invité Carped201
Posté(e)

bonjour , 

désolé phoscorite je n'ai pas les lames minces que le résultat du laboratoire en PDF. 

Invité jean francois06
Posté(e)

@phoscorite : Pas évident d'y reconnaître ses petits!

Merci pour le partage.

Invité Carped201
Posté(e)

bonjour,

Donc, je suis allé faire un tour du coté le l'ancienne mine de cuivre de Cardo....Pas un seul caillou ressemblant, à la roche en question.

Je poste, des photos, des restes de l'ancienne mine.1947079881_20210518_1503111.thumb.jpg.e622a76621b91f4f990a1b87ce49557d.jpg

 

 

20210518_145842[1].jpg

20210518_144028[1].jpg

Invité Carped201
Posté(e)

Bonsoir, 

J'ai fait le test à l'acide chlorhydrique aucunes réactions, pas d'effervescence.

Donc pas de trace de calcaire.

Invité jean francois06
Posté(e)

Pourrais tu nous en monter d'autres?

"Ces roches trouvée au sol en partie car quelques unes étaient emmurées, sortent vraiment du lot car elles ne ressemblent en rien au roches existantes, d'ailleurs ces roches ont été trouvées sur un périmètre max de 300 mètres et au delà rien."

 

Rejoindre le sujet et participer

Pour poster un message, il faut créer un compte membre. Si vous avez un compte membre, connectez-vous maintenant pour publier dans ce sujet.

Invité
Répondre à ce sujet…

×   Collé en tant que texte enrichi.   Restaurer la mise en forme

  Seulement 75 émoticônes maximum sont autorisées.

×   Votre lien a été automatiquement intégré.   Afficher plutôt comme un lien

×   Votre contenu précédent a été rétabli.   Vider l’éditeur

×   Vous ne pouvez pas directement coller des images. Envoyez-les depuis votre ordinateur ou insérez-les depuis une URL.

×
×
  • Créer...