Aller au contenu
Géoforum est un forum de géologie, minéralogie, paléontologie, volcanologie et, plus généralement, un site dédié aux Sciences de la Terre et au patrimoine géologique. Les discussions s'organisent dans des espaces spécifiques, il existe un forum géologie, un forum minéraux, un forum fossiles, un forum volcans, etc. Une galerie de photos de minéraux ou de roches, de photos de fossiles, ou encore de sites géologiques ou de volcans permet de partager des albums. Il est possible de publier des offres d'emploi de géologue, ou des demandes d'emploi ou stage de géologues. Venez poser vos questions, partager vos connaissances, vivre votre passion !

Quelques-uns des principaux sujets de Géoforum

Bourse minéraux Sainte Marie aux Mines 2026, avec fossiles et gemmes.
Bourse minéraux et fossiles de Sainte Marie aux Mines (Alsace) - 24>28 juin 2026

Roche apparence volcanique


Messages recommandés

Posté(e)
Il y a 13 heures, phoscorite a dit :

Très intéressant, l'idée était d'éviter que ça fonde trop mais un peu quand même pour consolider la brique ?

et pouvez vous nous éclairer sur les températures atteintes ?

D'après d'autres auteurs (voir en particulier le traité de chimie industrielle de Wagner) c'était pour limiter les variations dimensionnelles (retrait, crevasses) pendant la cuisson.

De nos jours encore, la température d'un four n'est pas évidente à mesurer correctement. À l'époque, ils n'avaient que leurs yeux et la couleur du rayonnement. Il fallait chauffer à blanc donc au moins 1200 à 1300 degrés mais on n'était pas à 100 degrés près. On montait très progressivement mais il fallait terminer le plus haut possible.

Invité jean francois06
Posté(e)

Je voudrais faire un point sur cet objet :

Il a été trouvé par Carped201 : sur la commune de Bastia, chemin de Campu Ventosu.

Aspect macro :

716307211_20210403_1344481.thumb.jpg.05e9f5e1885881d7e9905229fc952e4f.jpg

 

Un détail :

1535596738_716307211_20210403_1344481det.jpg.44d17bdaa3f058fdb3962fc28d7caac5.jpg

 

On a donc une "roche"  grenue avec des éléments de tailles diverses, et de nature hétérogène. La patine est rouge à noire. En cassure, la couleur est plutôt noire.

J'ai fait un zoom sur deux éléments de couleurs rouges briques.

Carped201 a fait faire une lame mince:

994509105_20210514_2211361.thumb.jpg.7cced5987314817e498d31abd102910e.jpg

"Composition minéralogique (proportions par estimation visuelle) : - Quartz : 40-50% de taille variable (de quelques microns à centimétrique) et présentant une altération forte. Minéraux souvent polycristallins. Certains présentent une extinction roulante. - Matrice microlithique : 30-40% - Ferro-Magnésiens : 5-10% - Débris lithiques : <5% - Minéraux non identifiés : minéraux fibreux et autres <10%

Roche microlithique de couleur noire, vésiculaire, contenant des cristaux de de taille millimétrique à centimétrique (phénocristaux) de couleur blanche vitreuse
Altération : légère patine brune à la surface de l’échantillon 

Texture : vésiculaire microlithique
Porosité : importante (20 à 30%)

Remarques :
L’échantillon présente une texture typique d’un basalte, associé à une composition minéralogique relativement inhabituelle. ne permettant pas sa classification avec certitude. Par conséquent, le diagramme QAPF généralement utilisé pour classer les roches magmatiques n’a pas été présenté dans cette étude.

J'ai refait quelques photos de cette lame et avec l'aide de la communauté des géoforumeurs, certains points on pu être précisé:

"Composition minéralogique (proportions par estimation visuelle) : - Quartz : 40-50% de taille variable (de quelques microns à centimétrique) et présentant une altération forte. Minéraux souvent polycristallins. Certains présentent une extinction roulante.

Bon nombre d'entre eux présentent une extinction roulante. Et quand on parle d'altération forte, il est sans doute fait référence a cet aspect "salit".

- Matrice microlithique : 30-40% -

Les microlithes sont le plus souvent des grains de quartz.

Ferro-Magnésiens : 5-10%

Là on est pas d'accord, on voit dans ce qui est dit ferromagnésien cf la photo de la lame du rapport, des opaques aux formes ovoïdes. Je ne sais pas comment on peut les qualifier de ferromagnésien.

- Débris lithiques : <5%

Je n'en ai pas observé, ou plutôt identifié.

- Minéraux non identifiés : minéraux fibreux et autres <10%

La proportion me semble un peu plus importante, mais c'est accessoire, et il semble que ce soit de la sillimanite, un silicate d'aluminium.
"Roche microlithique de couleur noire, vésiculaire, contenant des cristaux de de taille millimétrique à centimétrique (phénocristaux) de couleur blanche vitreuse"
La roche est vésiculaire.

Carped201 a fait faire aussi une analyse DRX.

Celle ci met en évidence du quartz, de l'indialite, de la cristoballite, de l'albite, et de la dolomite.

Il y a une remarque sur les micas possiblement présent.

Indialite, cristoballite, sont des indices pour des hautes températures et basse pression.

Dans la lame, on ne voit pas de carbonates et  on n'arrive pas à identifier des feldspaths. On n'arrive pas à identifier l'indialite. Quand je dit on, c'est moi.

C'est fascinant, chaque personne qui regarde cette lame y voit des choses différentes, pas vraiment en fait, mais  pas la même roche. Il faut en tirer une leçon. On est influencé par notre école, notre formation.

Un spécialiste des céramiques antiques y aurait vu autre chose. Il y a des données objectives, ce que chacun a observé. Et il y a des données subjectives, ce que chacun a  interprété. 

Un exemple: Les opaques, je propose magnétite (en me basant uniquement sur la forme), mais phoscorite propose spinelle, hercynite . Pourquoi? Parce-que phoscorite tient compte de la détermination sur les minéraux aciculaires, fibreux, la supposée sillimanite, un contexte alumineux. Ce n'est pas une observation, c'est une interprétation.  ça veut pas dire que l'interprétation n'est pas bonne, ça veut dire que c'est une interprétation, point. Quand je dis magnétite, cela suppose aussi une présence d'oxyde de fer, donc c'est aussi une interprétation. Il y en a une plus logique que l'autre. Et c'est logique de penser à spinelle.

Attention, c'est pour montrer que l'interprétation peut permettre de trouver la solution.

Mr42 depuis longtemps nous renvoie à des réfractaires pour comprendre cet objet. Cela semble bien correspondre. Un matériau porté à haute température, à une pression atmosphérique. Un réfractaire.

Je crois (c'est donc une interprétation) que l'on peut dire qu'il s'agit d'un objet issu d'un four, une brique réfractaire. Pourquoi ces objets se trouvent là, et bien parce-que pour limiter les propriétés, les distinguer du chemin , il faut des pierres, et on prend ce qu'il a sur place ou pas loin sans avoir besoin de tailler.  

 

 

 

 

 

 

Posté(e)

Bon résumé de nos limitations, assumées et probablement inévitables. Cela reste un exercice intéressant (pour moi, pas vous ?)

J'aurais été en activité, perso, je me serais empressé d'en faire une analyse chimique, ce qui m'aurait surement amené à des conjectures supplémentaires.

 

Invité jean francois06
Posté(e)
il y a 12 minutes, phoscorite a dit :

Bon résumé de nos limitations, assumées et probablement inévitables. Cela reste un exercice intéressant (pour moi, pas vous ?)

J'aurais été en activité, perso, je me serais empressé d'en faire une analyse chimique, ce qui m'aurait surement amené à des conjectures supplémentaires.

 

tout a fait d accord.  c'est effectivement un exercice intéressant.  Merci Carped201!

Posté(e)

Ce fut un débat très instructif, merci à tous. J'espère  que Carped201 n'est pas trop déçu. Dès les premières photos, cet objet avait quelque chose de familier et pourtant, j'en ai beaucoup appris.

Il y a 21 heures, phoscorite a dit :

On voit le début d'altération du verre, alors.

 

Une autre idee bizarre me trotte dans la tete  pour les "gros" opaques un peu globuleux... Et si c'etait du graphite ?

Dans l'ouvrage déjà cité, Wagner parle aussi d'ajouter du charbon ou du coke dans la préparation des réfractaires.

Invité Carped201
Posté(e)

Bonsoir,

Merci beaucoup pour tous ces commentaires....mais on va pas baisser le rideau maintenant, je compte sur vous encore !

Je vais avoir des nouvelles lames minces avec les commentaires des géologues.

Je tiens à préciser effectivement que je poste des clichés ou des analyses de roches différentes mais de même nature géologique, provenant du même endroit. 

Ci joint lame mince en LPA ET LPNA.

Chlorite_avec_vésicules_LPA[1].jpg

1716249935_Chlorite_avec_vsicules_LPNA1.jpg

Lithoclastes_métamorphiques_LPA[1].jpg

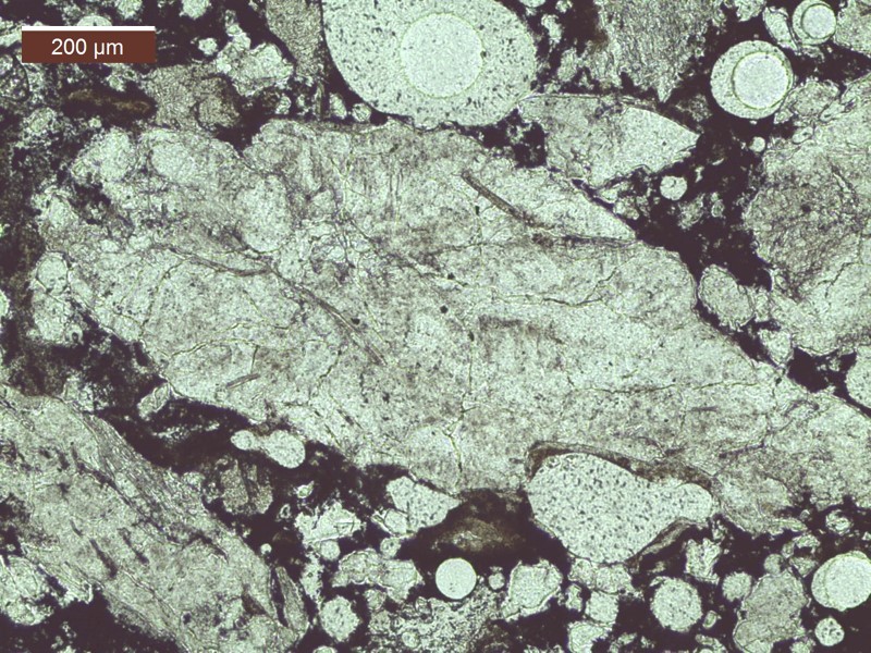
Vue_générale_LPA[1].jpg

307521262_Vue_gnrale_LPNA1.jpg

Zomm_quartzite_LPNA[1].jpg

Zoom_quartzite_LPA[1].jpg

Invité Carped201
Posté(e)

Re.

Nous sommes dans cette lame mince en présence de Chlorite, Quartzite, fragments Lithoclastes issus de la désagrégation.

Le géologue n'a pas fini son observation.

Invité jean francois06
Posté(e)

bonjour,

Une nouvelle lame dans une roche similaire.

Une nouvelle interprétation.

Il y a 12 heures, Carped201 a dit :

Re.

Nous sommes dans cette lame mince en présence de Chlorite, Quartzite, fragments Lithoclastes issus de la désagrégation.

Le géologue n'a pas fini son observation.

Pour la chlorite, je ne sais pas si on parle de la photo 1 (en LPA) et la photo 2 (en LPNA), je me serais attendu à voir du vert dans la photo en LPNA, et un brun plus soutenu en photo LPA, mais bon, je suis pas un spécialiste. En tout cas, comme sur la lame précédente, ça ressemble à un  phyllosilicate.

Quand il dit quartzite, il parle des assemblages de grains de quartz, il fait donc référence à des lithoclastes, des fragments de quartzite.

Et il parle de lithoclastes issues de la désagrégation...

Cette interprétation se dirige vers une roche d'origine sédimentaire.

On y voit toujours des vacuoles, et cette bordure noire autour des minéraux.

Attendons la suite.

 

 

 

 

Posté(e)
Il y a 13 heures, Carped201 a dit :

Re.

Nous sommes dans cette lame mince en présence de Chlorite, Quartzite, fragments Lithoclastes issus de la désagrégation.

Le géologue n'a pas fini son observation.

Bonjour

 

Pour l'amas en forme d'amande de a photo 1 et 2, la teinte de polarisation est un peu jaune pour de la chlorite seule, et je crois qu'il s'agit d'un mélange de chlorite et d'illite (pinite), comme on le trouve souvent en produit d'altération de la cordierite, et cet amas ressemble bien à une cordiérite métamorphique altérée.

Il y a plus a droite de cet amas in fantome (possible) de biotite qui a l'air constitué de chlorite avec des inclusions de leucoxene.

Posté(e)
Il y a 3 heures, jean francois06 a dit :

On y voit toujours des vacuoles, et cette bordure noire autour des minéraux.

 

Par exemple au centre, autour du petit quartz, le liserai clair en LN et sombre en LPA peut représenter juste la partie qui a fondu autour du grain.

Les taches sombres que l'on voit dans la matrice entre les grains ont le meme aspect que la bordure de l'amas... de la à penser que c'est aussi de la cordierite/indialite altérée, il n'y a qu'un pas.

 

image.png.0b8844ce3778e55b3358cd8c14cc3258.png

 

 

Posté(e)

@Carped201 j'ai une idée qui m'est venue en passant la tondeuse mais il faudrait qu'on sache précisément (sur carte) où se trouvaient les fours de l'ancienne exploitation de Cardo. Tu pourrais trouver ça (vieux de la vieille, anciens cadastres, ...)?   

Invité jean francois06
Posté(e)

Je voudrais faire un peu de pub pour ce site http://www.alexstrekeisen.it/english/index.php

 

Et sur cette page http://www.alexstrekeisen.it/english/pluto/cordierite.php  

cordieriteelba(3).jpg.afca846cf869a2178ffaf08548ccc040.jpg

 

cordieriteelba(4).jpg.400ac4d1443b2413b987985f34d1dba9.jpg

 

Excusez moi, je profite de la moindre occasion.

je cite  : " Alteration: Cordierite alters rather quickly, beginning on basal parting planes and causing the entire cordierite crystal to assume a yellowish cast. The alteration product is usually a fine-grained, yellow-greenish aggregate (Chlorite+biotite+muscovite) called Pinite"

On peut aller voir cette page :

http://www.alexstrekeisen.it/meta/slatecordierite.php

 

C'était pour illustrer les propos de phoscorite tout en faisant de la pub.

 

 

 

Posté(e)

Pour reparler des aiguilles :

-        Je n’ai pas trouvé sur le web de photos de mullite (3Al2 O3, 2SiO2 à  2 Al2O3, SiO2) en LPA. Mais plusieurs sous d’autres types éclairages : elle est toujours aciculaire et ça tient à sa structure.

-        Les teintes de polarisation visibles sur Mindat sont compatibles avec ce qu’on nous a montré ici.

Par rapport à la sillimanite (Al2O(SiO4)) on a remplacé des atomes de Si par des atomes d’Al. 

On reste de toute façon dans le domaine HT, BP. Reste à comprendre pourquoi ni l’une ni l’autre n’apparait dans la DRX.

Sur Infoterre l’ancienne exploitation est repérée (le acrré avec centre noir en bas à gauche de la carte ci-dessous, tout près du village)

1997910559_CarteCardo.JPG.6b10d33fb590e877e5c790cc226cea3c.JPG

Elle est censée se trouver sur la formation dite « gneiss et prasinites » sur la feuille de Bastia et appelée « métabasaltes » sur la feuille de Vescovato. Il est également mentionné que les niveaux de quartzite (anciennes radiolarites) sont systématiquement associés aux métabasaltes.

Sur Infoterre, les documents scannés concernant l’exploitation indiquent que l’encaissant est un schiste très siliceux. Pas surprenant puisqu’on est dans le contexte schistes lustrés.

Au N de Cardo, la formation doit être visible en carrière(Casevecchie).

Que ce soit dans les métabasaltes ou dans les schistes, la phengite (une variété de muscovite (Al, Mg) ) et la chlorite (Mg,Fe) sont toujours citées.

On a en fait là tous les composants pour arriver à nos échantillons si on les fait passer par de fortes températures.

-        le quartz abondant dont une partie a pu être convertie en cristobalite.

-        de la chlorite magnésienne pour former l’indialite.

-        de l’Al en quantité pour former la sillimanite puis la mullite (et la cristobalite en sous-produit ?).

-        plein de minéraux hydroxylés pour faire des bulles.

Bref, ce qu’il faut pour générer cet espèce de béton poreux avec des éléments quartziteux comme granulat et un verre plus des silicates HT BP comme liant.

Posté(e)
il y a une heure, jjnom a dit :

Pour reparler des aiguilles :

Les indices et la biréfringence de la mullite sont plus faibles que ceux de la sillimanite, et c'est comme ça qu'on les distingue en LM d’après le Tröger.

Il me parait bien possible qu'il n'y en ait pas assez pour voir l'un ou l'autre en DRX.

Je m'explique sur ce point : si la source du Mg est une chlorite magnésienne (Mg4FeAl2Si3...) et que le Mg est utilisé pour former de la cordiérite (Mg2Al4Si5...) la réaction consommera beaucoup d'Al issu d'une autre source (feldspath, muscovite) et il se peut que roche manque d'Al et ne puisse former un autre silicate d'Al de haute température.

De plus, nous avons vu les aiguilles dans ce qui semblait être du verre, donc on peut supposer que ce ne sont pas des restites, mais plutôt l'expression de l’excès d'Al contenu dans le verre quand il se refroidit. S'il y a 20% de verre et 10% de sillimanite dans le verre, ça fait 2% dans la roche, donc limite de détection en DRX.

 

Sur la genèse du caillou, j’adhère tout-à-fait avec la proposition de jjnom :

basalte (ou tuf) spilitisé + radiolarite métamorphiques provenant du même horizon, broyés et recuits, cela me parait plutôt "économique" comme hypothèse.

 

Il y a 12 heures, Carped201 a dit :

....peut il y avoir des éléments natifs dans ces roches ?

J'avais suggéré le graphite. Avez vous une autre idée en tête ?

Invité Carped201
Posté(e)

Bonjour, Phoscorite

 

Effectivement du graphite.

Dans les dernières lames minces postées, le géologue mentionne des traces de graphite car présence d'amas de cristaux opaques tubulaires fins et allongés.

Bien sûr en attente de son compte rendu final.

 

 

Posté(e)
Il y a 2 heures, phoscorite a dit :

et il se peut que roche manque d'Al et ne puisse former un autre silicate d'Al de haute température.

Il se peut...Juste une supposition.

 

Il y a 2 heures, phoscorite a dit :

donc limite de détection en DRX.

C'est peut-être bien là l'explication.

 

Il y a 2 heures, phoscorite a dit :

J'avais suggéré le graphite

Euh... le graphite à pression ambiante, c'est pas du 3000°C?

  • 1 mois après...
Posté(e)
Il y a 5 heures, Carped201 a dit :

Bonjour.

Est ce que ces roches pourraient provenir du permien ? 

Si c'est un mélange anthropique recuit, l'age, c'est l'age de la métallurgie locale.

Si c'est autre chose (mais quoi ?) on peut y réfléchir.

Rejoindre le sujet et participer

Pour poster un message, il faut créer un compte membre. Si vous avez un compte membre, connectez-vous maintenant pour publier dans ce sujet.

Invité
Répondre à ce sujet…

×   Collé en tant que texte enrichi.   Restaurer la mise en forme

  Seulement 75 émoticônes maximum sont autorisées.

×   Votre lien a été automatiquement intégré.   Afficher plutôt comme un lien

×   Votre contenu précédent a été rétabli.   Vider l’éditeur

×   Vous ne pouvez pas directement coller des images. Envoyez-les depuis votre ordinateur ou insérez-les depuis une URL.

×
×
  • Créer...