Aller au contenu
Géoforum est un forum de géologie, minéralogie, paléontologie, volcanologie et, plus généralement, un site dédié aux Sciences de la Terre et au patrimoine géologique. Les discussions s'organisent dans des espaces spécifiques, il existe un forum géologie, un forum minéraux, un forum fossiles, un forum volcans, etc. Une galerie de photos de minéraux ou de roches, de photos de fossiles, ou encore de sites géologiques ou de volcans permet de partager des albums. Il est possible de publier des offres d'emploi de géologue, ou des demandes d'emploi ou stage de géologues. Venez poser vos questions, partager vos connaissances, vivre votre passion !

Quelques-uns des principaux sujets de Géoforum

Vente et achat de minéraux français et cristaux du monde sur Internet.
▲  Vente et achat de minéraux français et cristaux du monde sur Internet  ▲

Messages recommandés

Invité jean francois06
Posté(e)

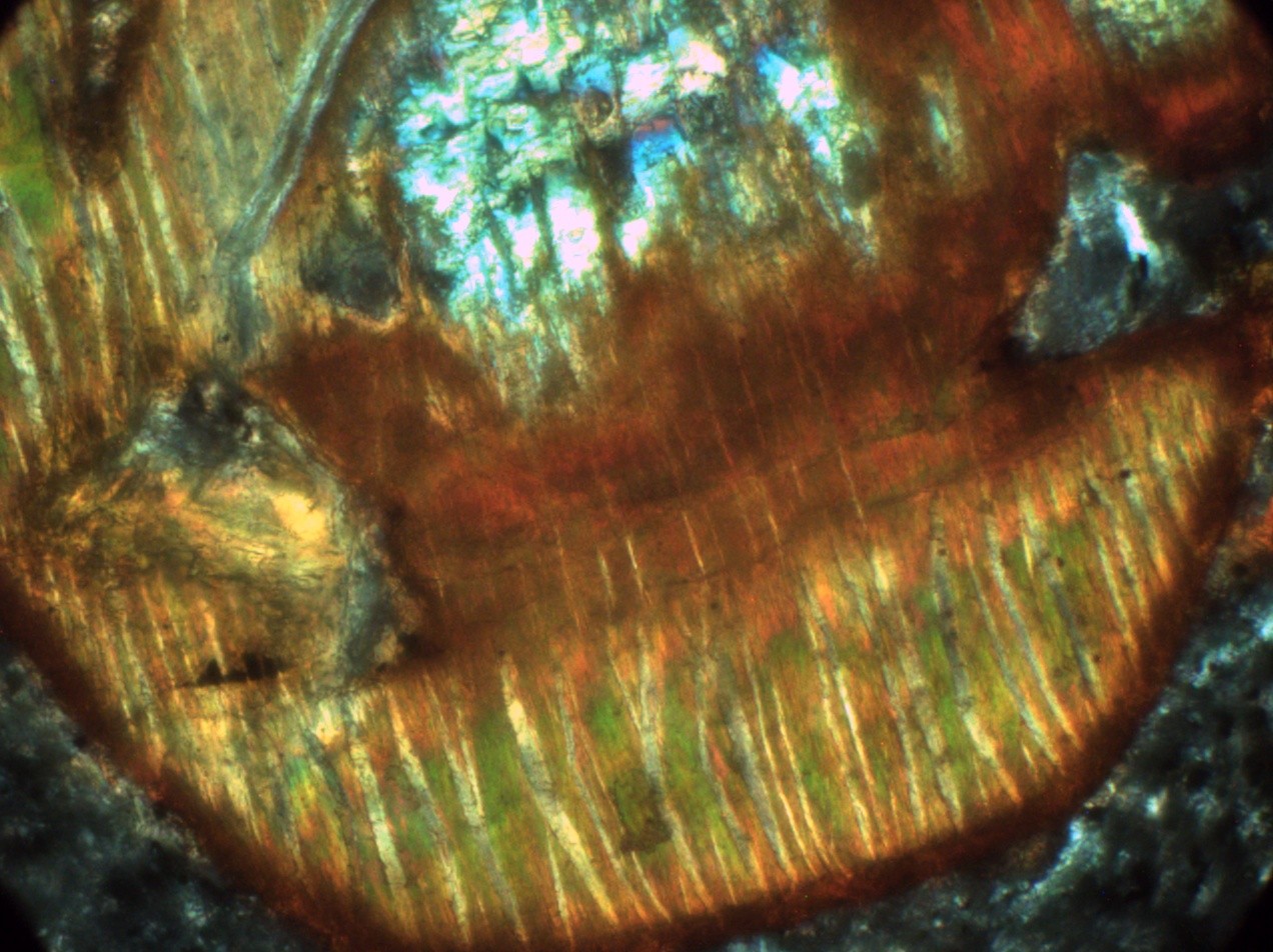
Une image pour illustrer le sujet sur les roches magmatiques. Des plagio, des Fk , du quartz ,des biotites, etc... , et du sphène

MGCM.thumb.jpg.8728af3e0db6ccd8751cd004ad81ce00.jpg

  • 3 semaines après...
Posté(e)

J'ai bien aimé l'exposé de Tanguydu30. Mais ça m'aporte des questions. Je n'ai pas de formation en géologie. Et je n'ai pas encore tout saisi. 

 

Comment faire la différence sur le terrain entre un gabbro », « diorite », « granodiorite », « granite », « syénite », « monzonite  sans avoir recours aux lames mince?

 

Quel est la différence entre un feldspaths alcalin, potassique et un autre feldspaths ? 

Que désigne le terme trachyte? C'est la première fois que je vois ou j'entend ce terme. Ya t-il une autre désignation?

  • 1 mois après...
Invité jean francois06
Posté(e)
Le 17/12/2017 à 12:54, Marquis633 a dit :

J'ai bien aimé l'exposé de Tanguydu30. Mais ça m'aporte des questions. Je n'ai pas de formation en géologie. Et je n'ai pas encore tout saisi. 

Comment faire la différence sur le terrain entre un gabbro », « diorite », « granodiorite », « granite », « syénite », « monzonite  sans avoir recours aux lames mince?

Pour répondre,le mieux ce sont quelques exemples :

Basalte : http://www.geowiki.fr/index.php?title=Basalte

Un exemple, dans l'Esterel :

5a783d9ee59fb_BasalteaffEst.thumb.JPG.93bccc45a7c0a9a62d18bc6439263ed3.JPG

5a783dbf29eea_BasaltevacuolesEst.thumb.JPG.c1e631e7c01c5a92456929712723cded.JPG

 

Invité jean francois06
Posté(e)

Je continue sur les roches effusives. Mais avant pour répondre à la question de Marquis63, une petit moyen  de déterminer macroscopiquement les roches effusives, c'est qu'approximatif bien sur. 

5a7dc6081929e_Cldedetermination.thumb.JPG.eecfc1ab1011b8ea03bc3d7e578da3b3.JPG

En suivant cette clé de détermination, deux exemples de basalte.

Le premier un basalte doléritique :

5a7dc71c48325_CB1aff.thumb.jpg.3872c4f9cc0c3fe7bfa527ad372104d9.jpg

5a7dc6f4aaff6_CB1detail.thumb.jpg.9672ceef46332cd49fe9d5d82ab24d3d.jpg

une roche basique intermédiaire, difficile à classer sur le terrain.

5a7dc68c09ff6_M3affl.thumb.jpg.46d6d018a15414be89295d741ac5dce3.jpg5a7dc6c675497_M3detail.thumb.jpg.015b2bbfdcf9f64178b76f8cfa97c38d.jpg

Et une rhyolite :

5a7dc661a6149_RhyoliteA2c.thumb.jpg.38904e94204f753e06c8646a460f1f99.jpg

 

Pour voir de belles photos et de beaux échantillons : 

 

 

Andésite et trachyte au prochain épisode.

Invité jean francois06
Posté(e)

Les trachytes, ici un trachyte quartzifère de l'Estérel. Pas de quartz visible, pâte claire.

5a82b1b196faf_Trachyteq1.thumb.JPG.d4d719dd88eea041cfb642ebbae4462b.JPG

5a82b18b2a3ea_Trachyteq2.thumb.JPG.468ae5a4132cb311dde69fab94bbf08e.JPG

 

Invité jean francois06
Posté(e)

Ce trachyte quartzifère est visible aussi en bord de mer à St-Raphaël.

5a83f4c0ca6c4_Trachyteq3.thumb.JPG.b3ca74a68d260e2c5d6877210fcfb455.JPG

Posté(e)

Salut, merci pour ce petit topo sur les roches magmatiques

Sur la dernière photo en bas à droite les formes arrondies sont dues à un refroidissement rapide dans l'eau? (type pillow lava?)

Et comment ça se fait qu'elle est litée? ou schistée d'ailleurs?

Merci

Invité jean francois06
Posté(e)
Il y a 2 heures, 73? a dit :

 

Sur la dernière photo en bas à droite les formes arrondies sont dues à un refroidissement rapide dans l'eau? (type pillow lava?)

Et comment ça se fait qu'elle est litée? ou schistée d'ailleurs?

Merci

C'est la prismation que l'on voit, l'érosion donne cet aspect arrondi. Je renvoie à ce site sur les orgues volcaniques : http://planet-terre.ens-lyon.fr/article/orgues-volcaniques.xml

On est sur le point d'émission, la prismation est horizontale, et s'incline vers le Sud.

5a85927fda3c7_prismation1.thumb.jpg.8230456dd916ba9849bfec483948bb43.jpg

 

Invité jean francois06
Posté(e)

Il manquait les andésites, voici deux affleurements du Sud-Est, qui se présentent sous forme de brèches, cendres etc... 

5a85a9a343010_AndsiteAffle1.thumb.JPG.d83b9f774b95da328f711754f8be7c40.JPG

 

Sur la notice de grasse cannes, on trouve aussi  : " Les andésites basaltiques et les andésites sont prédominantes, les basaltes peu représentés et les dacites très rares. Les basaltes (SiO2 < 52 %) et les andésites basaltiques (52 % < SiO2 <56 %) sont à plagioclase et clinopyroxène ou deux pyroxènes, avec dans un seul cas de l'olivine. Les andésites (56 % < SiO2 < 63 %) sont à plagioclase, clinopyroxène ou deux pyroxènes, et amphibole. Les données géochimiques montrent que ces roches, alumineuses et moyennement à fortement potassiques, sont à hypersthène et quartz normatifs et qu'elles constituent une série magmatique typiquement calco-alcaline ".

5a85a94be6ccf_Andsite1.thumb.JPG.066f3ebee8461b0060641ee491c2082e.JPG

 

Trois liens vers ces andésites : 

http://planet-terre.ens-lyon.fr/image-de-la-semaine/Img522-2016-02-08.xml

http://planet-terre.ens-lyon.fr/image-de-la-semaine/Img523-2016-02-29.xml

http://lithotheque.ens-lyon.fr/Lithotheque/FormRech/page.php?recup=A28.18

 

Invité jean francois06
Posté(e)
Il y a 15 heures, Kayou a dit :

   Merci pour ces sorties terrain, et la lithothèque qui accompagne.

J'espère que d'autres viendront l'alimenter.

 

Pour en revenir à la question de la détermination macroscopique, je replace les quelques roches sur le petit diagramme de détermination macroscopique.

5a868c6270fe2_Cldedetermination2.thumb.JPG.3942975bd7fef94b06cd2dd4924638af.JPG

On aboutit seulement à quatre types de roches au sens large. 

Il est évident que l'analyse sous microscope et l'analyse chimique va permettre de préciser la détermination. Ci-dessous, les champs que recouvrent ces types de roches ont été reporté sur le diagramme de Streckeisen (pas adapté pour les roches volcaniques) et sur le diagramme TAS.

5a868cb9ee5e5_Rvdiag.thumb.jpg.6104b15a06b10478acdff3bec4950a03.jpg

Voici un site qui permet de voir des échantillons macro et micro de différents types de roches magmatiques 

http://www.tankonyvtar.hu/hu/tartalom/tamop412A/2011-0073_practical_guide_for_igneous_rocks/index.html

 

 

Posté(e)

Petit retour arrière sur les andésites de St Antonin qui sont positionnées du mauvais côté de la subduction (voir les 2 articles de Planet Terre)

L'une des photos montre des feldspaths plagioclases zonés.

5a871f106db89_Plagioszons.JPG.644d4a79e87ab884378dd78830687046.JPG

Ces cristaux ont vu leur composition changer au fur et à mesure que la chimie du liquide environnant dans lequel ils baignaient se modifiait. C'est classique et d'autres minéraux peuvent présenter un tel zonage attestant du "nourrissage" des cristaux par le liquide.

Le contraire se rencontre aussi. Des cristaux peuvent se trouver déstabilisés par exemple lors de modifications de la pression et de la température. C'est alors le cristal qui va "nourrir" le liquide.

Et c'est ce qu'on observe au niveau des amphiboles des andésites de St Antonin.

Les cristaux de hornblende présentent très souvent une bordure, ici de couleur gris foncé, d'épaisseur constante, qui s'est formée au détriment du cristal initial qui a conservé sa forme automorphe. C'est un exemple du phénomène de résorption magmatique.

5a871f3eb9fb8_Amphibole1.JPG.e8f69ce5512a94480b545db331b01729.JPG5a871f7ba3e88_Amphibole2.JPG.bb42103e0e50321e0e5014ae9e505e78.JPG

 

  • 2 mois après...
Invité jean francois06
Posté(e)

 

Pour ne pas trop intervenir sur le fil des minéraux normands, la remarque de 73? est pourtant juste en ce qui concerne la vitesse de refroidissement.

Ce lien avec des pegmatites sud africaines, et qui présente de façon simple l'explication de la grande taille des cristaux malgré un refroidissement rapide (plus rapide qu'un granite) : http://planet-terre.ens-lyon.fr/image-de-la-semaine/Img601-2018-04-23.xml

Un extrait de cette thèse : https://tel.archives-ouvertes.fr/tel-01304809/file/sarah-deveaud_3983.pdf

5ae0c6d780f38_Capturepegmatites.thumb.JPG.7d3ca5127124ee945f2a3373c39318e5.JPG

 

Et ce papier  Pegmatite genesis: state of the art.: https://www.researchgate.net/publication/249517490_Pegmatite_genesis_State_of_the_art?enrichId=rgreq-15b318fe-fe74-46e2-b8fb-5985f6a3930b&enrichSource=Y292ZXJQYWdlOzI0OTUxNzQ5MDtBUzoxOTI5NDMyMTk1ODA5MzNAMTQyMzAxMjY1NjkwOA%3D%3D&el=1_x_2

 

Posté(e)

Bien vu, JF.

Le dernier papier cité a l'avantage de donner des ordres de grandeur de la durée pour obtenir la solidification et c'est effectivement très rapide. Plus que je ne l'imaginais car j'avais en tête des valeurs de refroidissement liées aux intrusions gabbroïques. Mais il est vrai que les températures ne sont pas les mêmes.

Je me pose quand même une question: pour moi, vitesse de refroidissement et surfusion importantes génèrent des nucléations nombreuses et la présence de cristaux squelettiques, dendritiques ou aciculaires. C'est que l'on constate dans les komatiites et les scories métallurgiques par exemple.

Les épontes aplitiques peuvent correspondre à une ambiance de ce type. Mais pour ce qui est du cœur du filon avec ses méga cristaux?

Ce papier ci tend à expliquer la croissance rapide des cristaux par le rôle des fondants: http://www.d.umn.edu/~mille066/Teaching/2312/Elements Articles/London2 Elements pegmatites12.pdf.  Le simple fait d'avoir une croissance rapide des cristaux diminuerait automatiquement le nombre de nucléations? Ou encore: le nombre de nucléations ne serait qu'une conséquence de la mobilité des composants?

  • 2 mois après...
Posté(e)

Quelques photos (d'amateur) de lames minces sous le microscope.

Macroscopiquement, la roche est très sombre parsemée de nombreuses cristallisations jaune-vert.

Le fond, très sombre, est composé d'une multitude de petits cristaux, certains de forme aciculaire.

Il s'agit d'une texture microlitique, typique des roches effusives.

Euromex_519.thumb.jpg.7f0b8a3ff71ac746ecdef28e9b7dcd57.jpg

Quand aux cristallisations jaune-vert, sur la photo ci-dessous en LPA, on comprend de suite qu'il s'agit d'olivine

Euromex_157.thumb.jpg.81de078d5d1ae7156ab0a6eaba5313df.jpg

Elle se présente assez fréquemment en cristaux automorphes. Ici en LPA:

Euromex_487.thumb.jpg.23a01caaada47af75c5ae8855cfd4d6f.jpg

Ici en LPNA:

Euromex_169.thumb.jpg.7b9d4ccab0f262e93edea9ecff49209a.jpg

On pourra remarquer que le cristal en bas de la photo précédente présente une bordure régulière. Début d'altération? Teneur différente en fer?

Parfois, on manque de passer à côté d'une forme automorphe bien typique. A gauche en LPNA et à droite en LPA:

Euromex_482.thumb.jpg.116c91af0cd49bb7efa26fe28411ddef.jpg Euromex_483.thumb.jpg.42c90570e3f0f00fd9d2083b06f0371c.jpg

Il s'agit d'un basalte particulièrement riche en olivine tel qu'on peut en trouver sur les sites dits de" points chauds".

D'autres lames à venir...

 

 

Posté(e)

Voici un autre basalte mais bien moins riche en olivine que le précédent. Il n'y a que quelques points verdâtres visibles sur l'échantillon macroscopique.

Au premier coup d'œil, on reconnaît bien la texture microlitique.

On se rend compte par rapport au précédent exemple

- que de nombreux points opaques en LPNA et isotropes en LPA sont présents. La magnétite est fortement probable.

En LPNA:                                                                                                                        En LPA:

Euromex_133.thumb.jpg.b4b54cd81676644f88b2c5cb11511aa7.jpgEuromex_134.thumb.jpg.7ad15b924383047d8f533dbc8d4a6a5c.jpg

- que l'olivine est représentée en tant que (petits) phénocristaux mais semble absente de la mésostase

Euromex_149.thumb.jpg.38c3e3105ced05abf6a45768d488b5ff.jpg

- que de nombreux cristaux sont incomplets. Souvent, plusieurs faces de cristallisation sont bien développées mais au moins une présente des irrégularités.

Ces cristaux semblent avoir eu bien de la peine à se procurer les éléments nécessaires à réaliser une cristallisation complète. Problème de diffusion depuis le liquide? Refroidissement plus rapide?

Euromex_144.thumb.jpg.e5fb532d81dc75b633ad2b5fa004c5fc.jpgEuromex_147.thumb.jpg.484e1070d5f4acbe93afa011445780ba.jpg

 

 

Posté(e)

A l'œil nu, le troisième échantillon ressemble fortement au premier, mis à part que tout ce qui était vert-jaune a pris une teinte orangée.

En outre la roche est parcourue d'une multitude de petites craquelures remplies d'un résidu blanc. 

Les cristallisations orangées sont en fait des cristaux d'olivine altérés et qui développent des couronnes d'iddingsite.

L'iddingsite n'est pas un minéral mais un ensemble intégrant un minéral argileux et des oxydes de fer et de manganèse.

La formation d'iddingsite est typique des laves à olivine. Dans les péridotites, un autre type d'altération conduit à la serpentine.

En LPNA, apparaissent nettement les olivines parfois totalement transformées, parfois ceinturées d'iddingsite. Les zones + claires ou + sombres correspondent à différents niveaux d'altération de la mésostase. De nombreux grains de minéraux opaques (et isotropes) y sont disséminés.

En LPA, la texture microlitique, voire fluidale, se révèle encore très bien.

773568455_galet5_18.thumb.jpg.6a3bf7f2fc97da904762148d6629f81d.jpg2115756230_galet5_19.thumb.jpg.f764356b77a73db62261786012587c90.jpg

 

Les vues suivantes montrent, au centre et en bas, un cristal automorphe d'olivine. La forme extérieure est conservée. La formation d'iddingsite est donc centripète.

769004384_galet5.6.thumb.jpg.3570f6a489c72c50d45493112f1f8bb3.jpg1795887728_galet5.7.thumb.jpg.f9202f258680112469ed6d6c21731c43.jpg

 

Rien que pour le plaisir des couleurs:

1371061931_galet5_20.thumb.jpg.2304eb5c7c0d5a442571c1e10ccb5204.jpg

 

Les vues suivantes en LPA ont été prises sur une olivine altérée d'un autre échantilon. Le phénomène d'altération semble ici se propager selon une direction et des plans préférentiels.

1659984876_galet3_22.thumb.jpg.fbc14b723048fbe59eb0cb65c1556602.jpggalet 3.24.jpg

Vous aurez compris qu'il s'agit de 2 basaltes à olivine ayant subi une assez importante altération (surtout le premier)

  • 1 mois après...
Posté(e)

 

Avis à ceux qui s'intéressent à la pétro endogène.

Voici un échantillon qui me pose souci. J'aimerais beaucoup retrouver quel pouvait être son contexte géologique de mise place.

En visuel, c'est une roche montrant de nombreux cristaux noirs flottant sur une mésostase grise.

555726248_copieb9.jpg.4c2987bee6f689d501bb27aeefcdd160.jpg

 

C'est une lave comme le montre sa texture microlitique et sans le moindre cristal d'olivine, même pas sous forme d'iddingsite.

Euromex_539.thumb.jpg.8eba3b1d4ef2cffa6309c1f4be87ec96.jpg

 

En ce qui concerne les cristaux noirs, la première idée était celle des pyroxènes.

Celui-ci semble montrer une macle en sablier.

Euromex_551.thumb.jpg.db9a84c418184ee6561483c6469d612a.jpg

 

Mais beaucoup d'autres cristaux présentent 2 clivages. L'un est fin et fréquent, l'autre plus fruste et plus rare. L'angle entre ces clivages est de 53 à 60°.

2118705969_AMPHIBOLEgalet4.thumb.jpg.71e180d0229d400599325ac07e386db2.jpg 641554189_AMPHIBOLEGALET412.thumb.jpg.94fd6c3b37fe743bbdb78aa54cad3c6b.jpg

1746839799_AMPHIBOLEGALET413.thumb.jpg.6928525a1ffbd01106d012ab49fe4207.jpg

 

Lorsque ces cristaux s'interpénètrent, c'est selon le même angle.

348956674_amphibolegalet4_20.thumb.jpg.baa542637f61ada2ff3a049db49eb506.jpg

 

Ici, l'un semble être zoné et l'autre est maclé. L'angle entre les 2 cristaux est encore du même ordre.

956367231_galet4_38.thumb.jpg.1ca9153410036dd20dc9a5663b8f6638.jpg

 

Tout ça fait penser à une amphibole.  

 

Alors, une lave à microlites de feldspaths et phénocristaux d'amphibole, sans olivine, ça nous mène où?

 

Invité jean francois06
Posté(e)

Salut, je pensais que tu allais mettre les macrophoto des basaltes.

lave à microlites, Feldspaths, amphiboles et quelques pyroxènes, ben?

 

Elle vient d'où? ça ressemble à des trucs qui y a par chez moi.

Posté(e)

Avec ton ben?, je vois bien que tu as un nom au bout du doigt (moi aussi!), mais tu as bien fait de ne pas le taper. Je ne voulais influencer personne.

Dire d'où ça vient ne servirait à rien car l'échantillon a pu être baladé sur une longue distance. Je peux te dire quand même que ça n'a rien de méditerranéen.

En fait, j'espère que quelqu'un, avec une autre expérience, pourra trouver quelques indices dans ces photos permettant de situer l'échantillon dans un contexte génétique.

Par exemple, le fait de n'avoir les feldspaths que sous forme microlites est il porteur d'information?

Posté(e)

Le pyroxène ne serait pas extinction droite par hasard ? Ca pourrait bien faire une andésite vraie de zone de subduction, elles ont souvent OPx et amphibole.

 

Pour l'amphibole automorphe ça nous indique juste une certain degré d'hydratation du magma (ce qui est déja pas mal !

 

Serge

Posté(e)

N'ayant travaillé cet échantillon qu'à partir de photos, je ne peux te répondre pour d'éventuels OPx. A vérifier.

L'assemblage minéralogique évoque en effet une andésite et l'abondance d'amphibole fait effectivement penser à un magma bien hydraté.

Cependant, je m'interroge sur la présence de plagios uniquement en microlites et de Px/Amphiboles en phénocristaux.

Plus fréquemment, on observe l²'inverse: plagios en phénocristaux et petits Px/Amphiboles. Qu'est ce qui a pu contrôler le faciès de cet échantillon?

Quelles différences, sans aller aux analyses chimiques, pourrait-on attendre entre une andésite de subduction et une andésite issue d'une différentiation ou d'un mélange magmatique comme celles qu'on connaît en Islande?

Rejoindre le sujet et participer

Pour poster un message, il faut créer un compte membre. Si vous avez un compte membre, connectez-vous maintenant pour publier dans ce sujet.

Invité
Répondre à ce sujet…

×   Collé en tant que texte enrichi.   Restaurer la mise en forme

  Seulement 75 émoticônes maximum sont autorisées.

×   Votre lien a été automatiquement intégré.   Afficher plutôt comme un lien

×   Votre contenu précédent a été rétabli.   Vider l’éditeur

×   Vous ne pouvez pas directement coller des images. Envoyez-les depuis votre ordinateur ou insérez-les depuis une URL.

×
×
  • Créer...