Aller au contenu
Géoforum est un forum de géologie, minéralogie, paléontologie, volcanologie et, plus généralement, un site dédié aux Sciences de la Terre et au patrimoine géologique. Les discussions s'organisent dans des espaces spécifiques, il existe un forum géologie, un forum minéraux, un forum fossiles, un forum volcans, etc. Une galerie de photos de minéraux ou de roches, de photos de fossiles, ou encore de sites géologiques ou de volcans permet de partager des albums. Il est possible de publier des offres d'emploi de géologue, ou des demandes d'emploi ou stage de géologues. Venez poser vos questions, partager vos connaissances, vivre votre passion !

Quelques-uns des principaux sujets de Géoforum

Bourse minéraux Sainte Marie aux Mines 2026, avec fossiles et gemmes.
Bourse minéraux et fossiles de Sainte Marie aux Mines (Alsace) - 24>28 juin 2026

Messages recommandés

Posté(e)

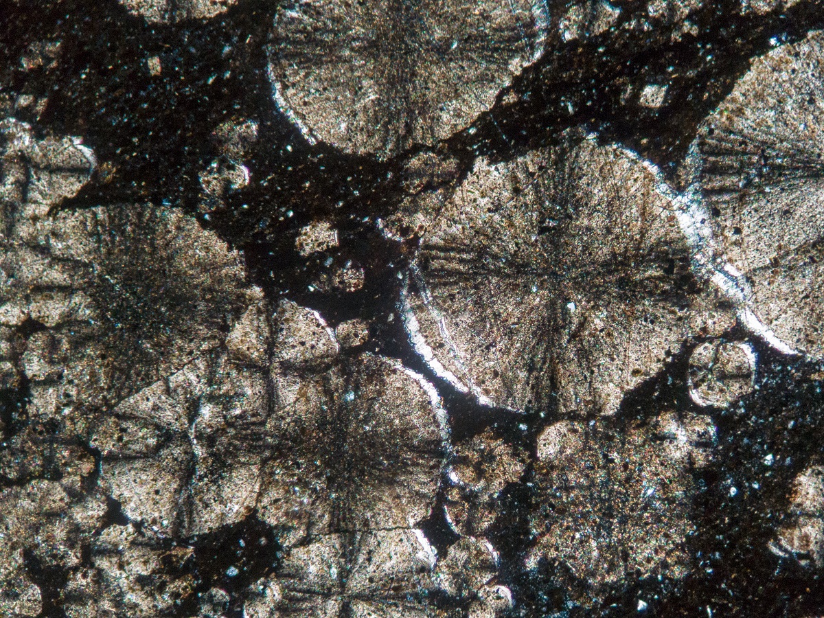
Similaire, belles oolithes (sphérulites/bahamites?) en voie de micritisation.

post-18100-0-45058800-1458161464_thumb.j

Deux ooïdes dissouts (les formes ovales). L'intérieur est recristallisé en dolomite (les rhomboèdres zonés) puis en calcite (au centre, en grands cristaux blancs).

post-18100-0-96623800-1458161491_thumb.j

Invité jean francois06
Posté(e)

Photo prises au portable clandestinement. Bravo elles sont belles.

Posté(e)

Sur l'oolithe ferrugineuse : y a t-il analyse geochimique détaillée ? Est ce qu'il pourrait y avoir d'autres éléments que le Fer ? Quelle interprétation ? Recristallisé ou primaire ?

Photos et analyses très rares sur ce forum qui montre une certaine experience ! Tu es carbonatiste ?

Posté(e)

Pas du tout ! :rigoler: C'est juste mes tp de pétro. Les observations viennent des descriptions des lames faites par mon prof https://chrono-environnement.univ-fcomte.fr/spip.php?article288

Je ne sais pas trop comment interpréter tout ça précisément en termes de conditions diagénétiques ou de paléoenvironnement, on doit simplement comprendre et savoir identifier, en tant qu'étudiants.

Je demanderai à l'occasion pour les oolithes ferrugineuses..

Posté(e)

Pas du tout ! :rigoler: C'est juste mes tp de pétro. Les observations viennent des descriptions des lames faites par mon prof https://chrono-environnement.univ-fcomte.fr/spip.php?article288

Je ne sais pas trop comment interpréter tout ça précisément en termes de conditions diagénétiques ou de paléoenvironnement, on doit simplement comprendre et savoir identifier, en tant qu'étudiants.

Je demanderai à l'occasion pour les oolithes ferrugineuses..

Ah...Besançon, j'ai fait le même cursus que toi mais il y a un autre siècle...parmis mes profs, Rolin, Rosenthal, Mudry, Fabbri...qui sont encore actifs je crois

  • 2 mois après...
  • 4 mois après...
Posté(e)

Allez, une petite ballade à côté de chez moi.

 

Nous allons nous rendre dans le chaînon de La Fare.

Si nous parcourons verticalement l'image suivante en débutant par le milieu de sa partie inférieure, nous rencontrons successivement :

-l'Etang de Berre

-Berre l'étang

-l'Arc qui coule au milieu de ses alluvions

-le Chaînon de La Fare

-Lançon de Provence

-et enfin au contact du bord supérieur une partie des pistes de l'école de l'air de Salon de Provence

 

 

cdlflo 1.JPG

 

 

Vu à la verticale, ça donne cela.

 

 

cdlflo 2.JPG

 

 

La carte :

 

 

cdlflo 3.JPG

 

 

La carte géologique .

Zone inférieure = feuille de Martigues.

Zone supérieurs = Feuille de Salon.

 

Nous serons donc dans des dépôts calcaires marins du Barrémien, faciès Urgonien.

Ils sont notés n4 et apparaissent en marron clair sur la feuille de Martigues, et en rose sur la feuille de Salon.

 

 

cdlflo 4.JPG

 

 

Ce qu'en disent les notices ; en premier, celle de Martigues, en second, celle de Salon.

 

 

cdlflo 5.JPG

 

 

cdlflo 6.JPG

 

 

Nous voici en bas, dans le secteur de Calissanne, d'où proviennent tous les clichés qui vont suivre.

Comme la toponymie nous l'indique, c'est très joli !

 

Photo suivante, à l'ouest de la D21.

 

 

CBO_1.jpg

 

 

Et photo suivante à l'est de la D21

 

 

CBO_2.jpg

 

 

Un affleurement de calcaire oolithique, en bancs centimétriques.

 

 

CBO_3A.jpg

 

 

Vue rapprochée des bancs

 

 

CBO_3B.jpg

 

 

Surface d'une plaque de calcaire oolithique issue du démantellement de cet affleurement.

 

 

CBO_3C.jpg

 

 

Vue de plus près de la surface d'une autre plaque

 

 

CBO_3D.jpg

 

 

Maintenant un affleurement de calcaire oolithique massif

 

 

CBO_4A.jpg

 

 

Altération en pelure d'oignons.

Les oolithes sont nettement plus visibles sur les surfaces fraîches ...

 

 

CBO_4B.jpg

 

 

Surface horizontale, et fracturée, de la base de cet affleurement .

 

 

CBO_4C1.jpg

 

 

Et pour finir, une vue de plus près de la surface précédente ...

CBO_4C2.jpg

Posté(e)
il y a 11 minutes, Next50MY a dit :

Oolites fraiches à l'Est de Bali :

 

 

 

C'est vrai que ce sable actuel a tout à fait sa place dans ce sujet ...

Et ressemble comme deux gouttes d'eau à ce que je viens de montrer ...

  • 1 year later...
Posté(e)

Un peu d'variété...

 

« Un stromatolite c'est juste un oncoïde qu'a eu du bol » (Cambrien inf.)
20120927-P1200845.thumb.jpg.b3576641a7874b12c292359e04004111.jpg20120927-P1200857.thumb.jpg.879e2a09e6d4de98631e4e443d274441.jpg

 

Ceux qui ont eu moins de chance, la diagenèse plein leur tronche... (Ediacarien sup.)

20130221-P1210094.thumb.jpg.4d0e0a100238f29a2edc150caf030fd1.jpg20130221-P1210144.thumb.jpg.e8cd2fe5cd5351d29c24a0cfe834dc10.jpg

 

Et même si ça ressemble "de loin", de près c'est une toute autre histoire (Ediacarien inf. :siffler:)

20110306-P1140139.thumb.jpg.d11ae466215d6acb7306a6532af636ee.jpg20130221-P1210335.thumb.jpg.5eecce2a45ed68f148c51202bd4725ac.jpg
20130221-P1210308.thumb.jpg.448a8b01bbb4ecb36ee18ea2bd3000a5.jpg

Invité jean francois06
Posté(e)

Tiens! ça ressemble a ça :

spherulite.JPG.e3befbb6511e570b02530250ae826a85.JPG

Une coïncidence? 

Sinon, quelles dimensions?

Le 16/03/2016 à 22:01, Lucailloux a dit :

Similaire, belles oolithes (sphérulites/bahamites?) en voie de micritisation.

post-18100-0-45058800-1458161464_thumb.j

 

Posté(e)

Les stromis en lame épaisse, ~1cm de plus grande dimension (APN en mode Macro). Les oncoïdes diagénétisés et les sphérulites de rhodochrosite (!), lame mince x25. (Coïncidence oui, mais jolies les tiennes !!!)

 

Invité jean francois06
Posté(e)
il y a 15 minutes, Drealiste a dit :

Les stromis en lame épaisse, ~1cm de plus grande dimension (APN en mode Macro). Les oncoïdes diagénétisés et les sphérulites de rhodochrosite (!), lame mince x25. (Coïncidence oui, mais jolies les tiennes !!!)

 

C'est pas les miennes, l'image de la lame de corse vient de ce site : http://www.alexstrekeisen.it/english/vulc/spherulites.php, rien  a voir avec des pisolites, oncolites , juste convergence de forme.

l'autre image appartient à Lucailloux.

 

Juste pour rendre à César ce qui est à César.

Posté(e)

La petrographie c’est la roche actuelle

la sedimentologie c’est aussi savoir comment elle s’est formée

 

sens tu la difference ?

 

selon un certain forumeur le sable est une roche, on peut discuter sur ce sujet des années... et a nouveau debat sterile.

Dont tout le monde se fout completement sur le forum

 

0549N.pdf

 

une description dans les règles de l’art de calcarenite, extrait BRGM :

 

3B31B827-B849-4F13-BE9D-9AED5EAD2FB8.thumb.jpeg.bc439968abbee4ea4044022c3978d837.jpeg

Invité jean francois06
Posté(e)
Il y a 16 heures, Next50MY a dit :

La petrographie c’est la roche actuelle

la sedimentologie c’est aussi savoir comment elle s’est formée

 

sens tu la difference ?

 

selon un certain forumeur le sable est une roche, on peut discuter sur ce sujet des années... et a nouveau debat sterile.

Dont tout le monde se fout completement sur le forum

Toujours prompt à donner des leçons. 

toujours dans le mépris.

Sable carbonaté=calcarenite actuelle c'est une notion de pétro ou de sédimento?

Je ne sens pas la différence. j'ai sans doute besoin de consolider mes connaissances.

Prenons les égyptiens, je les vois mal tailler un bloc dans le sable de la plage de Bali, non pas à cause de l'éloignement, mais à cause de la cohésion du sable. Ils n'ont même pas tenté cela chez eux. Bien sûr, j'imagine que comme aujourd'hui, ils faisaient des châteaux de sable, pardon des pyramides de sable, des œuvres éphémères.

Par contre, tailler un calcaire oolithique, ça oui. Et Ils auraient bien rigolé si quelqu'un était venu les voir pour leur dire que le sable oolithique et le calcaire oolithique c'est pareil , juste une question de pétro ou de sédimento. je les vois, tordus de rire se roulant par terre. La blague qu'ils faisaient aux débutants : "va me tailler un bloc sur l'oocalcarénite actuelle!".

De nos jours encore, des tailleurs de pierre s'aventurent à tailler des calcarénites, et ils n'ont pas eu besoin de suivre des cours de sédimentologie ou de pétrologie pour faire la différence entre un sable et une oolithe.

Le bon sens veut que ni les pétro, ni les sédimento, appellent un sable par le nom d'une roche consolidée. Et qu'ils soient anglo-saxons, russes, chinois, arabe, congolais, voire même français. Et les deux savent le devenir des deux roches. 

Et tout le monde, sur le forum  se fout de savoir qu'un sable oolithique va devenir une oocalcarénite. Un calcaire oolithique ou une oolithe aurait largement suffit.

 

Bye

 

Pour etre complet, le texte qui accompagne la coupe du BRGM donné par NEXT : pas de "oobiocalcarenite actuelle"=sable ( pure invention). Des calcarénites oui des biocalcarénites oui, etc.. mais c'est du consolidé.

5ab0c6c4b79ff_Capturecoupecarrire.JPG.a67e090e2337c4ae62a08145dfd31cfd.JPG5ab0c6c2dd14d_Capturecoupecarrire2.thumb.JPG.681dce68303bf7bf13f4853b0bfe965f.JPG5ab0c6bcdbf56_Capturecoupecarrire3.JPG.77617a96f528d1e0ff7421b2688c430d.JPG

Posté(e)

en tout cas bons articles de ta part et bien vu pour les forams de Bali !

gardes ton sens de l’humour Jef06

 

une petite mise au point sur ce qu’est une calcarenite, par rapport a un calcaire oolitique ou calcaire à foraminifères, puisque, oui le terme oocalcarenite exite, et meme oobiocalcarenite.

 

  • 1 year later...
Invité jean francois06
Posté(e)

Belles photos,  ici, et aussi dans les sujets "votre contexte géologique", "les fossiles du Toarcien", "rostres de bélemnites", "combien de département possèdent de la calcite".

On a l'odeur de la terre, de la Terre. On sent le soleil. Merci

Posté(e)

:clin-oeil:

Merci JF06 pour avoir exprimé ton ressenti ! 

Plaisir partagé... quoi-que, perso j'ai deux trois trucs en plus: quelques griffures de ronces, de la gadoue après les semelles, le bruit du vent quand il traverse les pins, les tâches blanches des amandiers dans le paysage, les viticulteurs qui s'affairent dans leurs vignes, l'odeur des herbes froissées entre les doigts, le goût d'un brin de thym coincé entre les dents, la rugosité ou le satiné d'un caillou, le sentiment d'une certaine éternité, là, parmi ces témoins de tant de millions d'années, les nuages poussés par la tramontane, le soleil qui décline et dont la lumière s'attardera encore dans un crépuscule flamboyant..Amis de la poésie, bonsoir !  

Rejoindre le sujet et participer

Pour poster un message, il faut créer un compte membre. Si vous avez un compte membre, connectez-vous maintenant pour publier dans ce sujet.

Invité
Répondre à ce sujet…

×   Collé en tant que texte enrichi.   Restaurer la mise en forme

  Seulement 75 émoticônes maximum sont autorisées.

×   Votre lien a été automatiquement intégré.   Afficher plutôt comme un lien

×   Votre contenu précédent a été rétabli.   Vider l’éditeur

×   Vous ne pouvez pas directement coller des images. Envoyez-les depuis votre ordinateur ou insérez-les depuis une URL.

×
×
  • Créer...