Aller au contenu
Géoforum est un forum de géologie, minéralogie, paléontologie, volcanologie et, plus généralement, un site dédié aux Sciences de la Terre et au patrimoine géologique. Les discussions s'organisent dans des espaces spécifiques, il existe un forum géologie, un forum minéraux, un forum fossiles, un forum volcans, etc. Une galerie de photos de minéraux ou de roches, de photos de fossiles, ou encore de sites géologiques ou de volcans permet de partager des albums. Il est possible de publier des offres d'emploi de géologue, ou des demandes d'emploi ou stage de géologues. Venez poser vos questions, partager vos connaissances, vivre votre passion !

Quelques-uns des principaux sujets de Géoforum

Vente et achat de minéraux français et cristaux du monde sur Internet.
▲  Vente et achat de minéraux français et cristaux du monde sur Internet  ▲

Messages recommandés

Posté(e)

localite: Ax-Les-Thermes, Ariege

aspect: surface lisse, avec striations dans la longueur, eclat vitreux, legere translucidité superficielle

durete: 6.5 ou 7

densite: 2.57 ou 2.58 (mesure effectuée sur un fragment de la couche colorée, sans roche claire associée)

indice de refraction approximatif: une seule lecture vers 1.548

remarque: valeurs a prendre avec un peu de recul etant donné l'aspect heterogene de la mineralisation

Roche ou mineral? Peut-etre un mineral alteré/pseudomorphosé?

Posté(e)

C'est un miroir de faille. La roche ressemble à du granite altéré sur la première image, les autres faire un zoom. La minéralisation striée : difficile de préciser.

Peut-être une mylonite sur les dernières images ? étant donné l'aspect broyé.

Une géométrie qui apporte de précieuses informations si on mesure les directions des stries (voir comment on mesure un "pitch") ... à situer sur carte.

http://www.geoforum.fr/topic/18648-quest-ce-quun-pitch/?hl=pitch

L'idéal serait de prendre du recul pour vérifier la verticale et avoir prendre une photo de côté pour apprécier le pendage de cette faille.

évidemment, région connue pour ses sources thermales:

file:///C:/Documents%20and%20Settings/adm207307/My%20Documents/Downloads/geologues_156_eaux_thermales_aquitaine.pdf

Posté(e)

pour la première image c'est une faille décrochante : mouvement coulissant de deux compartiments à l'horizontale avec peut être un basculement ultérieure qui crée une pente en l'état actuel.

Le contenu de la surface minéralisée est sans doute constitué de silicates étant donné la nature siliceuse de la roche.

En zoomant sur la tranche de l'échantillon mouillé on devrait en apprendre plus sur le type de faille.

pour voir si l'aspect bréchique est reconnu... ce qui est parfois plus difficile à voir sur des échantillon secs si les grains n'ont pas des couleurs contrastées.

On devine la texture bréchique sur l'avant dernière image.

Interroger EricT qui a levé plusieurs cartes géologiques des Pyrénees.

la feuille 1088 n'est pas disponible ?

http://ficheinfoterre.brgm.fr/Notices/1088N.pdf

http://www.geoforum.fr/topic/25045-serpentine-a-trimouns-possible/

Bonjour,

Alain a raison, c'est assez compliqué ces affaires de micaschistes. Malheureusement, la carte géologique n'est pas encore disponible pour ce secteur des Pyrénées (carte d'Ax-les-Thermes). Si l'on se réfère à la fois à la carte de Vicdessos et sa notice, à celle de Lavelanet et sa notice, en même temps qu'à la localisation plutôt N-E de l'échantillon de la troisième photo (en admettant qu'il soit à sa place, ce qui est loin d'être sûr dans ce contexte de carrière), je dirai qu'on est, sous toute réserve, plus en présence d'un faciès micaschisteux de la série des "Gneiss inférieurs du Saint-Barthélémy" ou quelque-chose de cambro-ordovicien métamorphisé que des faciès chlorito-talco-schisteux (qui sont "soyeux" au touché).

Sur le Forum, il y a des personnes qui connaissent très bien Trimouns et sa géologie complexe alliant métamorphisme, écaillage, métasomatisme hydrothermal etc : sans doute apporteront-elles plus de précisions...

EricT

Posté(e)

La surface est une faille striée minéralisée. Ce n'est pas un minéral unique. Comme une roche est composée de minéraux.

Pour la roche exacte, en consultant la notice de la feuille voisine, il y a beaucoup de candidats pour la pétrographie: cela pourrait être un gneiss à grain fin apparenté aux leptynites, lire page 9. Mais il existe encore pas mal d'autres possibilités.

http://ficheinfoterre.brgm.fr/Notices/1087N.pdf

peux tu mettre une carte extraite de info terre ?

http://infoterre.brgm.fr/viewer/MainTileForward.do#

Posté(e)

la partie se joue entre ces lithologies :

Granite d'Ax-les-Thermes_extrait_infoterre BRGM_légende.bmp

=> plutôt granite d'après la carte : la falaise granitique ?

...et si on comprend le schéma structural, peut être moyen de trouver des cristaux de quartz automorphes, dans les fractures en extension ?

Qu'est ce qui se trouve dans ce secteur ? des sulfures sans doute (voir références à des eaux chaude sulfurées dans un rapport en ligne du BRGM).

Posté(e)

sur ce secteur precis (deviation rn20) j'ai trouvé surtout de la pyrite (essentiellement massive et macro, parfois aussi micro cristaux) et du schorl (cristaux macro), mais egalement de l'andalousite (cristaux macro mais de qualité pierreuse, opaque et violacée), du grenat rouge (micro), et du quartz (macro mais plutot petit et peu transparent).

comment fais-tu pour afficher cette foutue legende? (quand je clique sur l'icone legende, puis sur 'afficher la legende', ca me dit 'legende en cours de chargement' mais apres une a deux minutes toujours rien...)

d'autre part, y a-t-il moyen de superposer le fond de carte ign a une carte geol, histoire d'avoir des reperes (villes, routes) sur la carte geol ?

Posté(e)

sur ce secteur precis (deviation rn20) j'ai trouvé surtout de la pyrite (essentiellement massive et macro, parfois aussi micro cristaux) et du schorl (cristaux macro), mais egalement de l'andalousite (cristaux macro mais de qualité pierreuse, opaque et violacée), du grenat rouge (micro), et du quartz (macro mais plutot petit et peu transparent).

lire sur la notice : "Les eaux thermales paraissent liées à des failles presque parallèles au cours de l'Aston (comme celles d'Ax-les-Thermes, à l'Est, le sont à des accidents méridiens).

Pour les indices d'andalousite (BASSE PRESSION - MOYENNE à HAUTE TEMP) et les grenats, ça vaut le coup de cartographier précisément et localiser si des failles se trouvent à proximité.

comment fais-tu pour afficher cette foutue legende? (quand je clique sur l'icone legende, puis sur 'afficher la legende', ca me dit 'legende en cours de chargement' mais apres une a deux minutes toujours rien...)

idem pour la légende : il faut aller la chercher en sélectionnant d'abord la carte imprimée au 1/50000.

tu cliques sur les couleurs et les zones apparaissent 1/2 seconde.

d'autre part, y a-t-il moyen de superposer le fond de carte ign a une carte geol, histoire d'avoir des reperes (villes, routes) sur la carte geol ?

pour la carte IGN on ne peut pas superposer avec la geol. Il faut alterner les zooms et les couches d'info pour se repérer.

Si besoin aller sur Google earth, on repere facilement les travaux de deviation : superbes affleurements granitiques en passant, tu pourrais faire un beau reportage photo sur ce site.

Les affleurements de miroir de failles aussi nettes sont assez rares dans les granitoïdes, en France :bravo: et merci.

Il y a des pegmatites, du feldspath (normal), de l'épidote et du béryl signalés à proximité. Regarder sur les indices miniers sur infoterre et la notices de la feuille voisine à l'Ouest.

Pour le quartz regarde si c'est en plaquage sur des fractures (cf ma remarque + haut) ?

Personnellement dans ce secteur, j'aimerais bien voir quel faciès prennent les conglomérats métamorphisés (méta-arkose) à la limite de la migmatisation lors de la phase hercynienne, voir la notice qui en parle :

http://ficheinfoterre.brgm.fr/Notices/1087N.pdf

"Un banc de « gneiss compact » [...] bien exposé à la traversée de la vallée de l'Aston sur environ 300 m d'épaisseur [...]. Certains échantillons du début de cette coupe (surtout en rive droite de la vallée) montrent que la roche contient de petits graviers de quartz arrondis, comme dans un micro-poudingue métamorphique."

[...]

"la série de Peyregrand paraît formée des premiers matériaux détritiques du démantèlement du socle précambrien, c'est-à-dire du granite devenu le Gneiss de Riète. Ces matériaux reposeraient sur le socle, soit directement, soit avec intercalation de formations schisteuses locales. L'ensemble de ces structures a subi ensuite la migmatisation hercynienne."

lire pour info :

http://petrology.oxfordjournals.org/content/42/3/487.full.pdf

Posté(e)

C'est situé à quel endroit par rapport à Ax ?

ici : les travaux routiers qui contournent la commune ont rafraîchi une spectaculaire coupe dans le granite. C'est visible par google street... à vos print screen !

post-9098-0-23165800-1396942338_thumb.jp

Encore une étape sympa à explorer sur la route du Cap de Creus :clin-oeil: .

Si la DDE et Madame la ministre des affleurements durables pouvaient nous garder l'affleurement tel quel sans le bétonner ce serait top .

Posté(e)

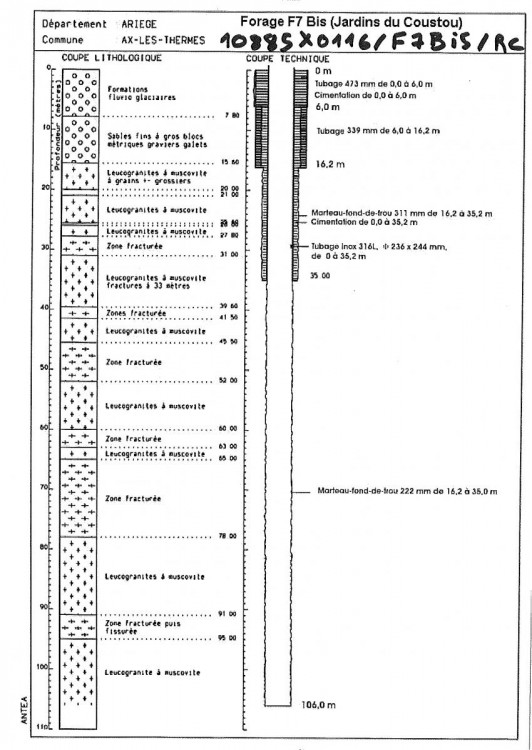
Pour ce sujet d'exception, on va faire une exception et y mettre un sondage de référence extrait d'info terre, foré dans les leuco-granites à muscovite fracturés, sans doute pour exploiter les eaux thermales :

post-9098-0-76994700-1396943744_thumb.jp

Un autre forage voisin peut débiter 60m3/h avec une température enregistrée de 75°C selon les éléments disponibles sur infoterre.

à partir de zones fracturées entre 74 et 113m, c'est un bel investissement !

Faciès granitique ou migmatique et chronologie des déformations et métamorphiques à comparer avec le granite de l'Hermitage décrit et analysé avec mr42:

http://www.geoforum.fr/topic/26859-tourmaline-et-mica/

A quelques km vers l'Est, à Orlu dans la zone cartographiée "Micaschistes granitisés à sillimanite", un sondage a rencontré des gneiss fracturés, migmatites et pegmatites à tourmaline.

Posté(e)

Ah ok, je vois où ça se trouve. C'est l'entrée d'Ax en venant des Cabannes.

Je parle de talc parce que l'échantillon montré dans le post 3 parait être de la stéatite...et Luzenac n'est pas trés loin, Il pourrait y a avoir quelques affleurements dans le coin.

Je connais un peu le coin, j'irai y faire un tour un de ces jours.

Posté(e)

Ax-les-Thermes --> du talc (stéatite) ?

voir ce sujet :

http://www.geoforum.fr/topic/25045-serpentine-a-trimouns-possible/

le schorl de cascaillou :

http://www.geoforum.fr/topic/6908-le-schorl/page-3#entry125207

grenats et épidote de 1frangin:

un petit tour dans le 09 :

grenat hessonite et idocrase quérigutattachicon.gifIMG_0119.JPG

grenat sur épidote ax les thermes attachicon.gifIMG_0117.JPG

les grenats du col de Pailhéres :

Bonjour,

allez un petit site facile et connu : entre Ax les thermes et Mijanés , à l'est d'Ax les thermes , au col de pailhéres dans des éboulis sous la route coté sud, juste avant le col en venant de Mijanés,tu pourras trouver des grenats + ou - altérés mais site inréressant ,à toi de chercher avec surtout un bon marteau!!!! et de l'huile de coude

cordialement

et celui ci :

http://www.geoforum.fr/topic/7396-travaux-de-la-route-de-contournement-dax/

par contre, pour les géologues , remarquable affleurement montrant un front d'albitisation avec inter action gneiss/pegmatite/albite

Merci Zunyite !

Visiblement il y a quand même des choses pas loin pour les minéralos :

http://www.geoforum.fr/topic/7658-mines-dargent-de-la-vallee-du-vicdessos/#entry109190

Posté(e)

a ces quelques liens j'ajoute mon epidote: http://www.geoforum.fr/topic/11428-les-mineraux-pyreneens/page-96#entry298350

en effet, sur le versant opposé a celui de la deviation rn20 j'ai trouvé de l'andalousite (macro, rose saumon pale et opaque, d'ailleurs signalée par Lacroix) ainsi qu'une occurence d'epidote (macro, vert-brun et opaque) associé a du quartz (cristaux macro, incolore et translucide) et de l'actinolite (fibres opaques vert emeraude)

Enfin, ca fait tout de meme deux-trois ans que je n'ai plus rien recolté d'interessant dans la zone d'Ax, en meme temps je ne suis en ariege que quelques semaines par an...

ps: sur le chantier de deviation rn20 risque de chutes de pierres du haut de la falaise. La falaise ayant ete dynamitée, la roche est friable et se decroche, surtout en ce moment avec le degel.

Posté(e)

oui je confirme, dans la zone granitique je n'ai trouvé que pyrite et schorl. Ca a bien changé depuis le tout debut du chantier, mais si je me rappele bien le gros schorl biterminé lui a ete trouvé hors de la zone granitique (j'ai un doute sur la zone exacte par contre).

a noter que la pyrite du chantier se retrouve egalement dans le rose, donc avant la zone granitique.

d'un cote comme de l'autre de la vallée les andalousites sont, de savignac jusqu'a ax-les-thermes, dans le rose pale ainsi qu'au contact rose pale/vert pale si je me repere bien sur la vue satellite.

coté chantier, les micro grenats sont dans la zone de contact rose pale / vert pale

l'epidote est sur le versant de la vallée opposé au chantier, dans le rose pale. Reste a voir si 1frangin confirme que sa decouverte d'epidote correspond aussi a cette zone.

Par contre, meme si ce n'est pas un desert mineralogique, les mineraux ne sont que rarement bien exprimés dans le secteur, et il est assez difficile de mettre la main sur quelquechose de valable.

Posté(e)

Cette ancienne mine ouverte dans les gneiss de Riète ou plutôt les "bancs s3-1g" :

http://materiaux.brgm.fr/FicheExploitation.aspx?idexp=56154

exploitait quoi ?

voilà ce qu'on y trouve en silicates :

le métamorphisme envahit totalement l'Ordovicien inférieur à partir de la vallée de Siguer. On y reconnaît seulement quelques
bancs s3-1g au sein des micaschistes, notamment des grès métamorphiques à minéraux calciques tels qu'amphibole, épidote, grenat (mine de Perles). Plus à l'Est, en dehors de la feuille, sur la route d'Ax à Ascou, les mêmes bancs contiennent des cornéennes à pyroxène et idocrase associées à de petits lits de cipolins.

Rejoindre le sujet et participer

Pour poster un message, il faut créer un compte membre. Si vous avez un compte membre, connectez-vous maintenant pour publier dans ce sujet.

Invité
Répondre à ce sujet…

×   Collé en tant que texte enrichi.   Restaurer la mise en forme

  Seulement 75 émoticônes maximum sont autorisées.

×   Votre lien a été automatiquement intégré.   Afficher plutôt comme un lien

×   Votre contenu précédent a été rétabli.   Vider l’éditeur

×   Vous ne pouvez pas directement coller des images. Envoyez-les depuis votre ordinateur ou insérez-les depuis une URL.

×
×
  • Créer...