Aller au contenu

Géoforum est un forum de géologie, minéralogie, paléontologie, volcanologie et, plus généralement, un site dédié aux Sciences de la Terre et au patrimoine géologique. Les discussions s'organisent dans des espaces spécifiques, il existe un forum géologie, un forum minéraux, un forum fossiles, un forum volcans, etc. Une galerie de photos de minéraux ou de roches, de photos de fossiles, ou encore de sites géologiques ou de volcans permet de partager des albums. Il est possible de publier des offres d'emploi de géologue, ou des demandes d'emploi ou stage de géologues. Venez poser vos questions, partager vos connaissances, vivre votre passion !

Quelques-uns des principaux sujets de Géoforum

Bourse aux minéraux et fossiles de Beauvais.
Bourse aux minéraux et fossiles de Beauvais les 28 et 29 mars

Principaux sujets de Géoforum.


Bourse aux minéraux et fossiles de Beauvais.
Bourse aux minéraux et fossiles de Beauvais les 28 et 29 mars

Messages recommandés

Posté(e)

Bonsoir

Je reprends le fil d'un post sur le thème "rhyolite ou ignimbrite" qui avait -euphémisme- un peu dérapé mais qui concernait un caillou très intéressant récolté par @jean francois06

et sur lequel @jjnom avait fait fabriquer deux lames minces.

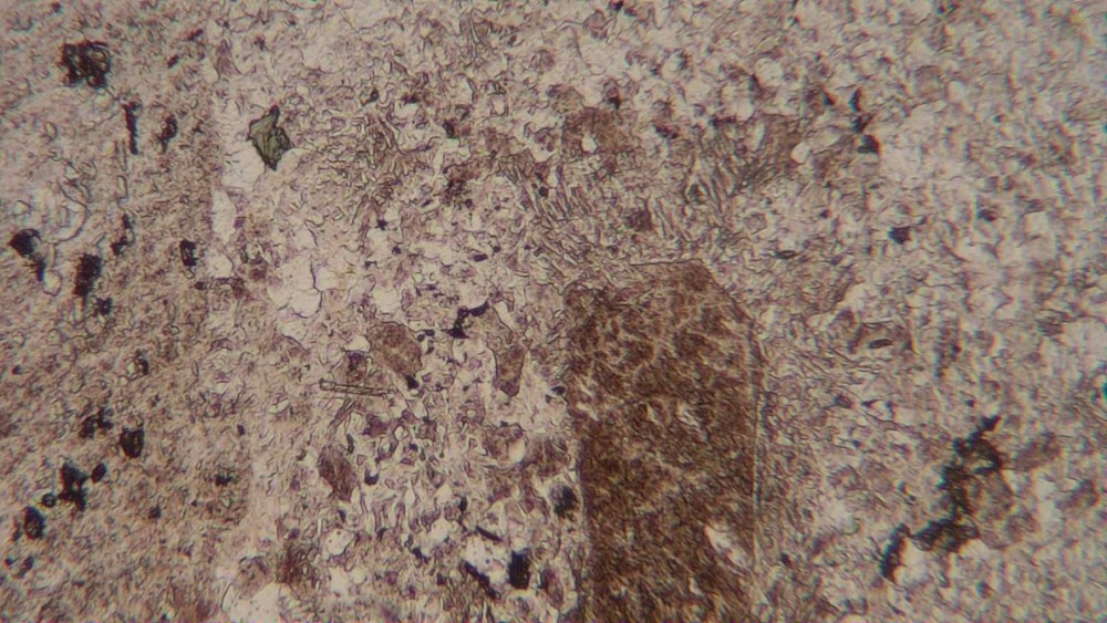
Voici une section du caillou :

666499071_rhyolitegalet1coupe.thumb.jpg.c7fbdc7074b6c617a347bb6e2d4b6ead.jpg

 

C'est une roche microgrenue (je préciserai après) très chargée en phenocristaux :

- de quartz (souvent corrodés)

- feldspath potassique (sanidine ou orthose)

- de plagioclase, peut être de plusieurs types, ils n'ont pas tous le même aspect

-de biotite (completement chloritisée)

Le plagioclase actuel n'est pas primaire, il n'est pas zoné du tout, sa composition actuelle doit être An25-An30 d’après les angles d'extinction, et il contient des paillettes de séricite et de la clinozoïsite comme produits d'altération.

 

Ce qui m'avait branché, dans ce caillou, en plus du débat sur "ignimbrite ou pas" qui m’intéresse toujours, c'était ces étranges halos un peu vermiculés, que l'on voit autour des phénocristaux de quartz : sur une photo de @jjnom

x1.jpg.4a5ac64a5b34799252a84c419ce74b55.jpg

En fait, on les devine sur la photo de la section, en agrandissant l'image on distingue une couronne claire autour de certains quartz.

 

Ce sont ces halos que je voulais essayer de caractériser un peu plus précisément.

 

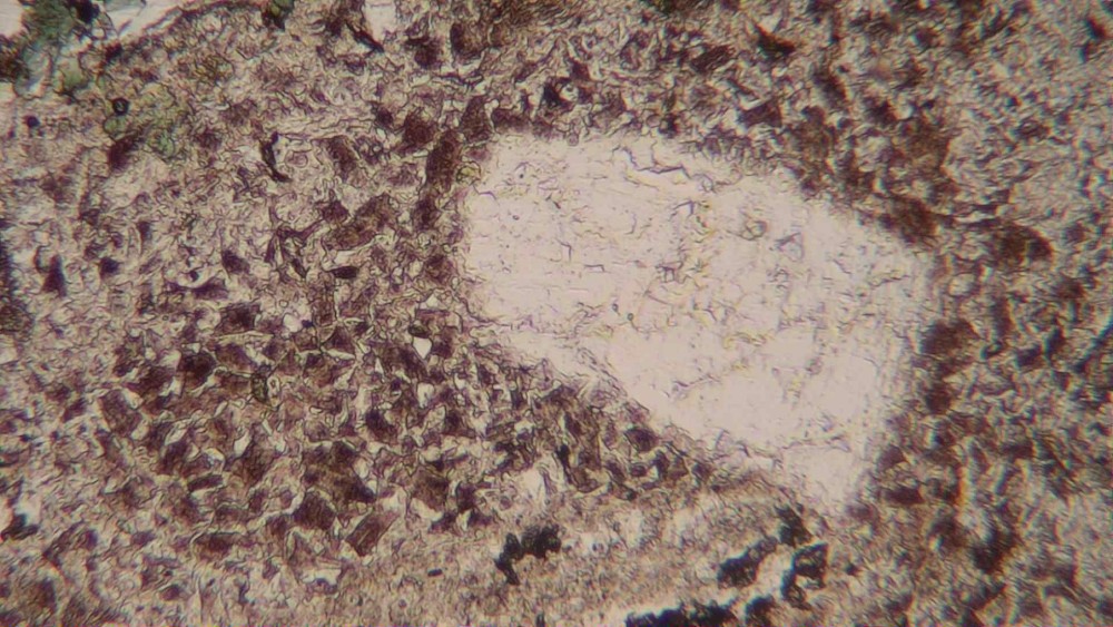
Vu de plus près, voici ce que ça donne autour des quartz : champ 3 mm

20211216-183014-624.thumb.jpg.f12177661682b26fdd3c8fd867e416dd.jpg 

 

 

20211216-183038-161.thumb.jpg.e9d3d685896ed9e38c97e600efd4945f.jpg

20211216-182314-222.thumb.jpg.542baae98a5600eef33085d782061db0.jpg

20211216-182346-991.thumb.jpg.dd2a00af8dfa33b50a3f92333b8eb93f.jpg

 et encore plus près (champ 1mm)

20211216-182522-847.thumb.jpg.216c187c7f88b7cc49c7ef7a9e01b9bb.jpg

20211216-182533-163.thumb.jpg.10a3bb92ea4605248d426e299270c10d.jpg

 

C'est toujours un assemblage de quartz (clair) et de feldspath potassique (chagriné), ce dernier étant largement majoritaire.

Avec une particularité intéressante, qui est que le quartz de cet assemblage partage souvent l'orientation optique du phénocristal (de quartz) qui se trouve a proximité :

 

Bon, voila pour ce qu'il y a autour des quartz. Vous pouvez constater que c'est -vaguement- cunéiforme et en ce qui me concerne, je vois plutôt ça comme de la micropegmatite graphique, mais c'est vrai que ce n'est pas tout-a-fait l'aspect habituel.

Je souffle un peu et je continue après avec de qu'on voit autour des feldspaths.

A bientot

 

 

Posté(e)

Je reprends la lame pour montrer comment cette texture evolue quand on se déplace dans l'échantillon.

 

Quand on s'éloigne un peu de la bordure des quartz, l'intercroissance quartz-feldspath prend un aspect nettement plus vermiculé :

20211216-191040-115.thumb.jpg.f765055b6c87757f672eeb60e1ec76b8.jpg

20211216-191112-964.thumb.jpg.74d508b51b2d0dce3fba90f291116d5b.jpg

 

En bordure des plagioclases, on trouve cette variante plus fine :

20211216-181900-979.thumb.jpg.7d2c9e63fcbf16895d080239bf07c8f9.jpg

20211216-181929-325.thumb.jpg.cad58bb920222d41a4c325a084847d19.jpg

 

Et en bordure du feldspath potassique, ces formes-ci, encore plus fines, voire "plumeuses"

20211217-110559-839.thumb.jpg.c503e943f9b87b83ddee01d551fde743.jpg

20211217-110636-053.thumb.jpg.52287329432a4e706f61425871c5c9c7.jpg

20211217-110831-071.thumb.jpg.700575bc54d9d1d97ce9916e184eb57b.jpg

 

20211217-110853-850.thumb.jpg.320372d593f26407af8b3e07d7bcb03e.jpg

NB: sur ce dernier détail, on voit en fait un golfe de corrosion dans le K feldspath

 

Et une dernière autour d'un K feldspath (chagriné, en bas au centre) :

20211217-113011-609.thumb.jpg.4c14856167c745edfe174379484e4ce0.jpg

20211217-113034-387.thumb.jpg.b977a29fae7e712c09d56ce682d99dd7.jpg

 

Et, cette fois, c'est le feldspath potassique de l'intercroissance qui partage son orientation optique avec celle du phénocristal adjacent :

 

 

 

Dans tous les cas, on a affaire, je pense, à une intercroissance biminérale (quartz +K feldspath) et même si l'aspect et le grain sont variables et pas très orthodoxes, je crois que ça relève d'une texture type "granophyre" ou micropegmatite graphique.

Le fait que l'on voie cette intercroissance en auréole autour de quartz et/ou de feldspaths qui ont l'air corrodés me fait penser que c'est la partie des phéno (ou xéno) cristaux qui a fondu en partie et qui recristallise sous cette forme.

 

Invité jean francois06
Posté(e)

De bien belles photos.

Tu dis que tu reviendras plus tard sur le terme microgrenue. Il semble donc que l'on a affaire à des symplectites.

On serait donc dans un "microgranitoïde", avec des phénocristaux de quartz  et feldspaths à structure microgrenue , à tendance granophyrique. Mais tu vas sans doute préciser ou infirmer. 

Posté(e)
Le 19/12/2021 à 11:11, jean francois06 a dit :

Tu dis que tu reviendras plus tard sur le terme microgrenue.

Oui, j'ai du m'absenter et je n'ai pas précisé ce point.

Je n'ai d'ailleurs pas commenté du tout le reste de la texture de la trame (microgrenue, pour le coup) entre les phénocristaux. Je n'ai pas vu de verre, seulement des petits quartz, du feldspath, et des mini biotites chloritisées. Plus des zircons dans ce que je pense être des miarolles, et dans lesquelles on voit aussi des chlorites vermiculées (certainement secondaires) et peut-être de la prehnite (?)

20211217-110004-143.thumb.jpg.d18329e382f93c735771caee36fcdfc1.jpg

20211217-110026-275.thumb.jpg.37ef7d9db3cb6545ee40b4a94bb8352d.jpg

20211216-190441-596.thumb.jpg.1b57a7818c3a00d8ed6bf2b8d24f1637.jpg

20211216-190459-731.thumb.jpg.7414215ca90d922b54fa8131de648a89.jpg

 

Les intercroissances quartz-K feldspath, je ne les qualifierais pas de symplectites, car dans mon esprit (je me trompe peut-être) une symplectite c'est le remplacement d'un minéral par un couple de minéraux, donc une réaction entre solides.

Dans le cas présent, j'ai le sentiment que l'intercroissance se développe plutôt au détriment d'un liquide, et qu'il vaudrait mieux appeler ça du granophyre (micropegmatite graphique est un équivalent). Mais ces intercroissances n'occupent pas la totalité de la trame, seulement la périphérie de certains phénocristaux, ce qui veut dire que l'essentiel du liquide a cristallisé d'une manière plus conventionnelle (comme un microgranite). Je n'ai pas de nom "homologué" pour désigner ça. Je soupçonne juste que le développement local de cette texture granophyrique est lié à la composition particulière du liquide autour des phénocristaux, et la seule idée qui me vienne a l'esprit c'est qu'ils ont été partiellement fondus (dans un processus de recharge de la chambre magmatique) et que c'est ce liquide "particulier" très localisé qui cristallise de la sorte.

 

 

 

Invité jean francois06
Posté(e)

C'est bizarre, quand je dis symplectiques, cela me semble purement descriptif, tu sembles en faire une interprétation génétique. Et si j'avais dit Myrmekite? Est ce que cela reste descriptif?

Posté(e)

@phoscorite Es tu certain que le phéno F de la dernière vidéo est un FK? J'aurais parié pour un plagio, vu son aspect et bien qu'on ne voit pas les mâcles?

J'ai quand même l'impression que l'extinction de ce phéno se réalise nettement avant l'extinction du "chevelu" extérieur. Non?

 

Posté(e)
il y a une heure, jean francois06 a dit :

C'est bizarre, quand je dis symplectiques, cela me semble purement descriptif, tu sembles en faire une interprétation génétique. Et si j'avais dit Myrmekite? Est ce que cela reste descriptif?

Je ne suis pas très au fait de la nomenclature officielle. Si symplectite veut juste dire intercroissance, alors ok.

Myrmekite, c'est un cas particulier de symplectite, avec Kfeldspath dans le role du minéralt remplacé, et quartz + plagio dans celui de ceux qui remplacent.

 

il y a 26 minutes, jjnom a dit :

Es tu certain que le phéno F de la dernière vidéo est un FK?

Il est plus petit que les autres, et je ne vois pas de macle, mais l'aspect chagriné est bien le même que ceux sur lesquels on voit carlsbad.

Par ailleurs, tous les plagios que j'ai vus contiennent au moins quelques paillettes de séricite et des taches de clinozoizite.

Le revoici sur un plan plus large, pour comparer ; il y a un grand plagio difficilement contestable sur la gauche.

20211217-112657-428.thumb.jpg.322a581e4643d8b67cdf95699e612fdb.jpg

20211217-112709-126.thumb.jpg.5841dc123ddec742424611e4baca5ce8.jpg

 

Pour ce qui est de la continuité optique avec le phenocristal, c'est un peu trop flou pour être évident, et de toute manière ce n'est pas le cas de tous les cotés.

Posté(e)

Je pensais avoir retrouvé la trace des échardes d’ignimbrites qu’on avait cherchées intensément. On s’était aperçu de ces figures sur photos après la séance sous le micro. On s’est peut être fourvoyé.

Je ne crois pas qu’on puisse voir des myrmekites dans ces photos. Ce sont en général des croissances de plagioclases avec vermicules de quartz qui tendent à remplacer un FK. On a au moins une photo où on voit des vermicules tout autour de quartz sans qu’on puisse distinguer un F dans le proche environnement et une autre où on en voit aussi entre 2 plagios. Sauf, comme le disait Phoscorite, à imaginer un remplacement total du FK. Il faudrait pouvoir s’assurer de ce qui se trouve entre les vermicules mais sous le micro optique…

Au passage, le point sur les myrmékites : http://www.csun.edu/~vcgeo005/Nr56Metaso.pdf

A choisir entre les 2, j’irai plutôt du côté granophyre.

Suis allé revoir la thèse sur les conglo de St Antonin (Toure, 1981).

https://tel.archives-ouvertes.fr/file/index/docid/815722/filename/These-Toure-1981.pdf

On y trouve ceci :

1404133984_Microgranitegranophyrique.thumb.JPG.99cdddf0e25d11a834cd801a8ef71f2b.JPG

La texture granophyrique existe bien dans les galets de St Antonin. Une photo en page 202 fait bien penser à ce qu’on peut voir dans nos lames. Mais, d’un autre côté, on l’associe à des sphérolites radiaires. Or,

1) on n’en a pas vu dans les lames de ce galet

2) ce sont des choses qu’on trouve plus facilement dans les laves, notamment les rhyolites.

Et il n'est pas fait mention de phénocristaux de FK ...

Un truc un peu surprenant: dans les microgranites comme dans les rhyolites, le FK (si présent)est toujours la sanidine.

 

Comme vous appréciez les textures avec des vermicules, allez donc voir celle-ci: https://twitter.com/jack_lowrey/status/991904469485957122/photo/1

 

Posté(e)
il y a 42 minutes, jjnom a dit :

Au passage, le point sur les myrmékites : http://www.csun.edu/~vcgeo005/Nr56Metaso.pdf

Warning avec les écrits de Mr L G Collins sur les myrmékites et la métasomatose. Ce que j'en avais lu il y a une vingtaine d'années ne m'avait pas enthousiasmé, et c'était alors du wikipedia sans contradiction, pas des publications soumises à comité de lecture. Je n'ai pas relu ce monsieur depuis, donc je ne peux pas critiquer sans relire ce qui a éventuellement changé, mais je compte bien le faire et vous tenir au courant, voire proposer un sujet geowiki sur myrmékite.

 

Pour ce galet de rhyolite, je ne pense pas non plus que l'on ait affaire à des myrmékites, je n'ai vu nulle part d'excroissance bourgeonnante en direction d'un K feldspath.

Mais la vraie vie est en 3D, donc il y a toujours un doute, et la ou les intercroissances sont effectivement un peu tortueuses comme dans des myrmékites bon teint, c'est trop fin pour que je sache identifier les composantes avec certitude, il faudrait le MEB.

 

Outre ces intercroissances qui m'avaient un peu tapé dans l’œil, cet exemple m'avait beaucoup intéressé parce qu'il abordait deux sujets assez nouveaux pour moi : les critères d'identification microscopique des ignimbrites, et aussi les textures que l'on pouvait associer (ou confondre) avec la dévitrification. Donc je reste sur ma faim à ce propos, mais merci aux créateurs du sujet pour cette visite en Provence, et pour le partage des infos et des lames.

Posté(e)

Bonsoir.

Je voudrais revenir sur quelques aspects des lames qui comportent les structures qui seraient granophyriques.

Je reprends une excellente photo de JF et 2 autres de 2016.

On observe sur la 1° photo une matrice microgrenue Q+F, un plagio avec des mâcles, un autre feldspath avec un quadrillage et un quartz avec golfes de résorption. Sur les autres photos, d’un secteur tout proche, on aperçoit un second plagio accolé au feldspath quadrillé.

Le premier plagio semble avoir été brisé et que les mâcles ont servi de plans de faiblesse. Il est mangé aux mites et on voit la mésostase dans les trous.

Le feldspath quadrillé : pas l’allure d’une sanidine, pas de mâcles. Je me demande si le quadrillage blanc n’est pas lié à l’exsolution d’albite au départ d’une microcline qui n’affiche pas franchement la couleur.

Entre ce feldspath quadrillé et le second plagio (mangé aux mites? lui aussi), les aspects sont très différents mais on n’observe aucun joint entre eux. Il semble même qu’il existe une plage (la plus claire), avec des caractéristiques mêlant celles des voisins.  

 Vos commentaires seront appréciés.  

351721752_487958552_IMG_9970copiecopie.jpg.854010e0669feb8db57be2d8c82ec094-Copie.thumb.jpg.6230209668f7c6b0f7e2669ccd54b272.jpg

 

464742749_LP-1.thumb.jpg.add7110e6a38bdb7bd98b88591cdc024-Copie.jpg.bfa58a0d13aa5b2bab7a0b28f90dc986.jpg       

 

LP-2.thumb.jpg.b7ceb76f4d233e3e50b9a99530bf0d3c.jpg.c9c91979e355c9f62715c5e8717bb7ed.jpg                            

Posté(e)
il y a 10 minutes, jjnom a dit :

Le premier plagio semble avoir été brisé et que les mâcles ont servi de plans de faiblesse. Il est mangé aux mites et on voit la mésostase dans les trous.

Le feldspath quadrillé : pas l’allure d’une sanidine, pas de mâcles. Je me demande si le quadrillage blanc n’est pas lié à l’exsolution d’albite au départ d’une microcline qui n’affiche pas franchement la couleur.

 

Je ne suis pas a portée de la lame pour vérifier, il faudra attendre lundi, mais je pense que la plage qui apparait comme quadrillée est encore du plagio (il me semble voir une tache de séricite), mais les relations de macles avec les plages voisines ne sont pas évidentes. Il y a au moins deux individus contigus, dont la limite interrompt les macles.

Je suis bien d'accord avec le coté "mangé aux mites". Le contour est très irrégulier et il y a peut-être des poches de mésostase dans le cristal, mais en 3D, on ne sait pas si c'est pas juste des golfes et un effet de coupe. Mais même si ce ne sont pas des trous isolés au sein du cristal, ça suppose une géométrie vraiment biscornue du contour, donc ça fait penser a des golfes de corrosion, et a de la fusion partielle des phénocristaux.

Autre point sur lequel je ne me suis pas étendu mais qui a peut-etre son importance, ce que l'on voit comme "trame microgrenue" est très loin d'avoir une structure équante. Il y a la-dedans plusieurs tailles de grains tres differentes, avec des grains vraiment tres petits, ce qui me parait un peu suspect. Je me suis demandé, et j'attends vos remarques, si ça ne pouvait pas être une structure initialement granopphyrique un peu partout, qui avait "muri" (au sens d'Ostwald) par la suite à la faveur des circulations hydrothermales.

Rejoindre le sujet et participer

Pour poster un message, il faut créer un compte membre. Si vous avez un compte membre, connectez-vous maintenant pour publier dans ce sujet.

Invité
Répondre à ce sujet…

×   Collé en tant que texte enrichi.   Restaurer la mise en forme

  Seulement 75 émoticônes maximum sont autorisées.

×   Votre lien a été automatiquement intégré.   Afficher plutôt comme un lien

×   Votre contenu précédent a été rétabli.   Vider l’éditeur

×   Vous ne pouvez pas directement coller des images. Envoyez-les depuis votre ordinateur ou insérez-les depuis une URL.

×
×
  • Créer...